MCU基本技术原理及应用方案集锦
屏的尺寸现在都很紧凑,同时厚度很薄,对 MCU的尺寸要求很高,C8051F30X尺寸只有3×3mm,厚度只有0.9mm;要求具备PWM输出,多路输入的ADC和通讯接 口;C8051F30X支持3个PWM输出,多路复用的AD输入,支持UART和 通讯接口,3×3mm的封装上可以提供8个用户I/O口。
*方案特点
很好地解决了传统的白光LED个体差异问题,使彩色显示屏的色彩始终处在均匀状态;很好地解决了白光LED老化带来的亮度降低问 题;C8051F30X、AS3691和HDJD-S722-QR999封装小,容易和TFT显示屏做成一个模块;C8051F30X有Idee和 Stop两种低功耗模式,特别是Stop模式,其功耗小于0.1uA。当系统进入Stop模式时,可以使外围电路关闭,进入省电状态,当需要显示时,由主 控制器唤醒。
5.22 C8051F313在手机闪信和计步器中的应用
随着手机 的普及,人们对手机的功能要求也越来越高。那些具有彰显个性的手机越来越深受人们的喜爱,特别是年轻一族的喜爱;手机功能的增多,意味着手机体积的增大和 功耗的增加,这与人们对手机小巧和待机时间长的要求又成了矛盾;要解决这些矛盾,手机设计者不得不追求元器件的小型化、低功耗和高性 能;MCUC8051F313在手机闪信和计步器中的应用就是一个典型例子。图3为C8051F313在手机闪信和计步器功能应用示意框图。

*关于计步器
计步器原理:人在行走或者跑步的加速度与时间轴大致成为一个正弦波;利用加速度,可以计算走了多少步,还可根据步幅进而估算所走的距离。
计步器功能的实现:采用MCUC8051F313和MEMS IC加速度传感器MAX6500;C8051F313采样MAX6500两路加速度传感器的输入,分析加速度,计算出走了多少步;根据步行者的步幅,还可以估算出所走的距离。
*关于手机闪信
手机闪信原理:利用手机上的闪灯,在光线较暗的环境下,通过快速左右摇动手机,利用人类视网膜延时现象,造成视觉残像,从而形成连续的光影信号,令受信者视觉产生连续信息。
手机闪信功能的实现:采用MCUC8051F313和MEMSIC加速度传感器MAX6500;C8051F313接收要显示的信息,并驱动相应的 LED;MAX6500检测加速度在X轴和Y轴的分量变化(力的大小和方向),并送给C8051F313;C8051F313分析MAX6500检测到的 加速度信号,对要显示的字符方向实现自动翻转。
*手机闪信和计步器对MCU的要求
体积要求苛刻:手机对MCU提出的 要求极其苛刻,要在尽可能小的尺寸上提供最多的1/0口;C8051F313在5×5mm的封装上提供了25个I/O和模拟输入16个I/O口用来驱动 16个LED;2个模拟输入用来采样加速度传感器输出;1个标准2线的控制器用来与Baseband CPU进行通讯。
严格的低功耗设计:在STOP模式下功耗小于1μA;良好的I/O口设计确保待机时I/O对外阻抗很高,在兆欧级以上,有效切断I/O口待机功耗。
完善的大批量生产要求:一旦生产,编程数量将非常巨大,具有完善的量产编程方案,快速的手持编程器,无需PC参与,无需操作员熟悉编程方法,具有boot程序,在手机开机时自动加载应用程序,通过C2编程接口进行编程。又具有良好的保密功能。
描述
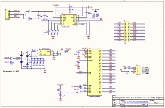
此解决方案使用近场通信 (NFC) 技术实现了无电池键盘。此解决方案的核心部分是可以由主机微控制器读写的 TI 动态 NFC 标签。支持 NFC 的手机可以快速发现并识别该键盘,然后在键盘和应用程序之间建立连接。此设计是无电池系统(即,无需电池即可工作),客户可以利用该系统构建具有优化尺寸 的产品(例如薄键盘)以及重量更轻的产品(例如易于携带)。
特性
无电池解决方案
标准 PC/AT 键盘字符集
大于 400 个字符/分钟的输入能力
MSP430 MCU 和 RF430CL330 标签的功耗都约为 20 mW
用于能量收集的低成本 PCB 线圈天线
提供 Android 测试工具和 InputMethod 应用程序
原理框图

无电池近场通信 (NFC) 键盘原理图
硬件框图

无电池近场通信 (NFC) 键盘硬件框图
相关器件

1.(TI)MSP430FR573x MSP430FR572x 混合信号微控制器
德州仪器 (TI) MSP430FR573x 系列超低功率微控制器由多个器件组成,这些器件特有嵌入式 FRAM 非易失性存储器,超低功率 16 位 MSP430 CPU,以及针对多种应用的不同外设。 此架构,FRAM,和外设,与 7 种低功率模式组合在一起,针对在便携式和无线感测应用中实现延长电池寿命进行了优化。 FRAM 是一款全新的非易失性存储器,此存储器将 SRAM 的速度,灵活性,和耐久性与闪存的稳定性和可靠性结合在一起,总体能耗更低。 外设包
CC430F5135 EFM32 NFC MSP430 MCU 相关文章:
- 人性化的低功耗WIFI智能温控器应用方案(08-17)
- 基于EFM32TG840的便携式心率计的设计(06-29)
- 基于GP21+EFM32的超低功耗超声波热量表电路模块设计(09-23)
- 解读GP21+EFM32低功耗热量表电路——电路图天天读(106)(02-09)
- 电池供电超长,无线温度采集器电路和器件选型应该这样来设计(08-05)
- 对NFC应用在手机的研究(05-16)
