面向便携式设备的低成本立体声切换方案
手机等便携式电子产品正集成越来越多的多媒体功能,这引起了人们对增加立体声功能的极大兴趣。本文介绍了一种基於茂升公司MS6335+MS6863晶片组合的低成本立体声切换方案,非常适合MP3播放器、便携式媒体播放器(PMP)、手机、可携式电视、可携式DVD等产品。
目前,3G手机或便携式多媒体播放器等便携式设备可轻易地通过数字处理提供音频3D效果。有了这种设备,可嵌入立体声耳机收听功能,这样左右信号可从DAC或调频(FM)收音机中获得。虽然耳机功率在32欧姆负载上约为10mW,主喇叭可简易地用於产生并为8欧姆负载输出最高达1W的功率。由於需要提供立体声解决方案,而非传统的单声道系统,在这些功率水准上很难提供高效率的净化音频信号。
台湾茂升电子股份有限公司(MOSA Electronics Corp.)的MS6335数字/模拟转换器与MS6863低失真功率放大器配合,可为MP3播放器、便携式媒体播放器(PMP)、手机、可携式电视、可携式DVD等便携式产品提供完整的低成本立体声切换方案,其功能图见图1。

图1、基於MS6335+MS6863的低成本身历声切换方案功能图
MS6335数字/模拟转换器
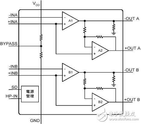
MS6335是集成了AB类立体声耳机驱动器的 16bit数字/模拟转换器(DAC),带有一个I2C SPI介面,同时还具有音量控制功能,其内部结构见图2。其独特的同步解码技术与精确匹配的初调电流源结合,有效地消除了零交替失真(zero-crossing),以产生高质量地音频。

图2. MS6335的内部结构
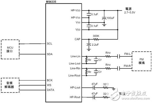
MS6335采用CMOS工艺进行生产,音量控制范围 6dB至-39dB(1.5dB/step),可以通过外部电阻器对输出电压进行调节,具有出色的电源抑制比(PSRR),可以再现高质量的音频,是低功耗的小外形便携式应用的理想选择。MS6335在带有FM功能的MP3播放器中的典型应用。见图3。

图3. MS6335在带有FM功能的MP3播放器中的应用

图4、MS6863的内部结构
MS6863低失真功率放大器
MS6863是一个低失真功率放大器,能够驱动连续平均功率为2×2W的双4欧姆BTL负载,或2×90mW的立体声 32欧姆单端(SE)耳机。通过耳机检测管脚,MS6863可在双 BTL和立体声SE模式之间自动切换。在大多数应用中,该BTL 配置可以消除输出端的耦合电容器,使设计更加简单和节省成本。 MS6863采用TSSOP20封装,其增益还可以通过外部电阻器进行设定,关机时没有POP噪声,其典型应用电路见图5。

图5. MS6863的无噪关机典型应用电路
方案描述
本设计由MS6335音频DAC和MS6863功率放大器组成,具备立体声数字及模拟信号两个输入端以及立体声Line-Out、扬声器与耳机三个输出端,图6是根据图1原理图制作的演示板。该演示板可切换音源与输出端,并可用作音量控制。

图6、由MS6335音频DAC和MS6863功率放大器组成的身历声切换演示板
本设计以红外线及MCU作为控制,MCU保持 Standby状态,MS6335与MS6863初始状态为Power down mode。立体声数字信号源来自数字信号处理器(MP3解码器、机顶盒),可选择 I2S或者Normal格式。立体声模拟信号来自FM等信号。立体声输出可接32欧姆或16欧姆耳机,可直接驱动8欧姆或4欧姆立体声喇叭;Line-out则无驱动能力,需使用具有驱动能力之後级放大机。
MS6863 MS6335 立体声技术 便携式设备 相关文章:
- 如何为可穿戴设备选用更准确的电量计(06-13)
- 超声便携式设备原理及系统划分详解(06-17)
- 便携式设备的低功耗MCU系统设计方法及应用(06-10)
- 君行OAIR陈诗峰:重设计的便携智能产品“随身云”(10-18)
- 如何为便携式设备设计高效的DC/DC转换器(02-14)
- 移动充电革命:实现小尺寸与最佳额定功率(06-11)
