基于CX2443x解码内核的数字电视机顶盒设计
时间:02-23
来源:中国电子网
点击:

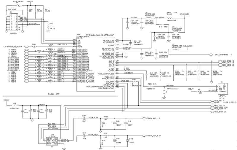
图5 音视频解码模块的电路
机顶盒音视频解码测试
经过初步的测试,本样机设计符合以下标准:信道解码遵循DVB-C EN300 429;视频解码遵循MPEG-2 Video(MP@ML)和MPEG-1 Video;音频解码遵循MPEG-2、MPEG-1和线性PCM。数字电视信号解码处理后的图像如图6所示。

图6 解码图像的显示
