基于STM32F的电动汽车交流充电桩控制系统设计
4.3 CAN总线接口电路 4.5 控制导引电路 5 桩体电气部分设计 7 结论本文分析了交流充电桩控制系统的硬件设计与软件设计,叙述了充电桩电气部分的设计。该系统以STM32F107VCT6为控制核心,实现了人机交互、充电控制、电能计量、IC卡付费、票据打印、运行状态监测、充电保护和充电信息存储和上传等多种完善的功能。该系统能满足电动汽车一般的慢速充电要求,作为充电基础设施的一部分对于推进电动汽车的普及具有重要的意义。
根据《电动汽车车载充电机与交流充电桩通讯协议》征求意见稿中的相关说明,该征求意见稿推荐车载充电机与交流充电桩之间的通信系统采用CAN总线,所以设计CAN总线接口。数据链路层为物理连接之间提供可靠数据传输,本系统车载充电机与交流充电桩之间的数据帧格式符合CAN总线2.0B版本的规定,使用CAN扩展帧的29位标识符。具体每个位分配的相应定义和传输协议等功能符合SAE J1939-21的规定。
4.4 充电电压测量电路
电压测量首先需要通过测量互感器将电压和电流转换为可以测量的小信号。例如对220V的电压信号的测量,采用的互感器变比为2 mA/5 mA,采用图4所示的电路,可知在220V时互感器的输出恰好为5mA。忽略大电阻分流的影响,则27 Ω相当于是一个采样电阻。由于采样的信号为交流电,信号有正负之分,而A/D转换器的输入范围为0~3.6V,所以不能直接将采样电压输入到A/D转换器中。在运放的正输入端接入一个正的参考电压,再选择合适的放大倍数,使输出能够在A/D转换器的输入范围即可很好的解决该问题。采用准同步采样后,数据采用矩形自卷积窗算出其有效值。
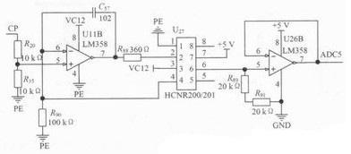
控制导引电路完成充电前充电桩与电动汽车的连接确认、供电功率及充电连接装置载流能力的识别和充电过程的监测等任务。MCU通过检测点不同的电压值来判断所处状态,其电路原理图如图5所示。

交流充电桩的电气部分主要完成充电的控制与充电过程的保护等功能。具有漏电保护、短路保护、过流、过压、欠压保护等保护功能。除短路和漏电保护外,其他保护功能通过充电控制器控制接触器实现,以实现自恢复;短路和漏电保护选用带漏电保护的微型断路器实现。此外系统还具有防雷模块,防雷模块标称放电电流不小于20kA,保护电压水平小于等于1.5 kV。单相供电时防雷模块的接线方式选用P+N接线方式。充电桩具备急停按钮,以便在紧急情况时能够强行终止充电。
6 软件设计
充电桩通过触摸屏完成交互式控制,运行时如果进行刷卡操作则触发中断进行读卡,确定卡的类型进行相关操作。充电模式提供多种选择可以设置按时间、电量、金额充电,也可设置成直接充满为止。程序的整体流程图如图6所示。

