请高手帮看下这个555做的波形发生怎么能提高频率
时间:10-02
整理:3721RD
点击:
这个,我还是菜鸟一名,想请教各位高手,这个555做的波形发生电路,怎么改才能把产生的波形频率提高?如果能说明算法更好,万分感谢各位了!

可以自己用软件仿真,边改边总结
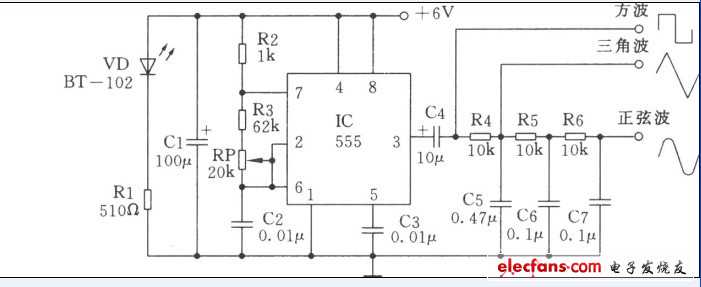
这很简单。这是一个 多谐振荡器,其调节频率为RP电位器。频率公式为T=0.7(R3+2RP)C2
具体算法书上有,R3主要调节波形频率大小,R2主要调节占空比,充放电的电容越小频率能够达到得越高,但是受555内部比较器以及D触发器反应时间的限制,频率无法达到很高,估计就200KHZ到300KHZ吧,这只是根据我做的实验得出的,可能不太准,具体数据你自己实验测试,还有就是用后面的电路来产生三角波和正弦波好像不太稳定。
十分感谢各位的帮助~
C2和电阻R2 R3 RP 有关系
