请问各位大侠实现这个电路最低成本要多少:
时间:10-02
整理:3721RD
点击:
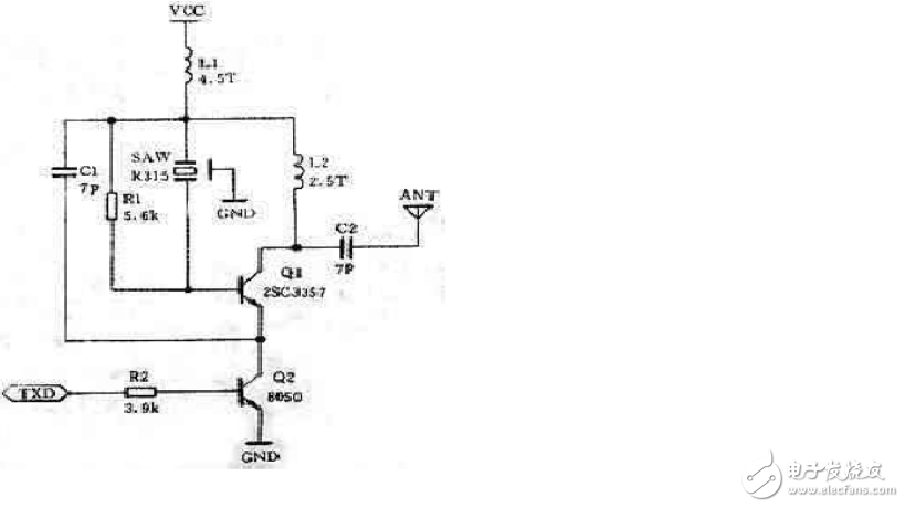
见图片,请大家踊跃讨论

这个成本如果是单个元件购买 成本不好估计 如果是大批量的话 不会超过2-4元

这个成本如果是单个元件购买 成本不好估计 如果是大批量的话 不会超过2-4元