RZC7514内置框图,典型应用电路图,PCB方案设计资料
时间:10-02
整理:3721RD
点击:
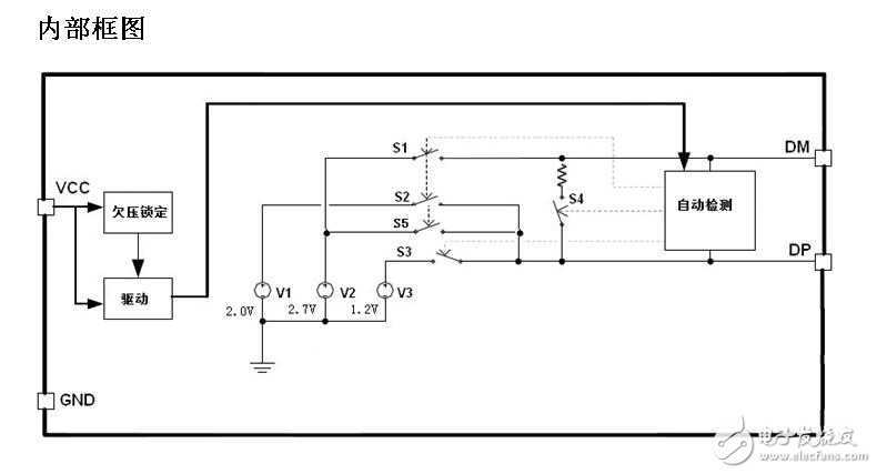
RZC7514 是单通道 USB 专用充电端口( DCP)( BC1.2)控制器。 拥有自动检测特性时时
监控 USB 数据线电压,并且自动在数据线上提供正确的电气特性.
[size=13.3333px]RZC7514功能特性
? 单 USB 端口控制器
? 工作电压范围 4.5V 至 5.5V
? 依照 USB 电池充电技术规格 BC1.2,支持 USB DCP D+线路短接至 D-线路
? 依照中国电信标准 YD/T 1591-2009,支持短接模式(支持 D+线路短接至 D-线路)
? 支持在 D+和 D-线路上均施加 2.7V 电压的 USB DCP(或者是在 D+线路上施加 2V 电压,
在 D-线路上施加 2.7V 电压的 USB DCP)
? 支持在 D+和 D-线路上施加 1.2V 电压的 USB DCP
? 自动为连接的器件切换 D+和 D-线路连接
? 采用 SOT23-5 封装
监控 USB 数据线电压,并且自动在数据线上提供正确的电气特性.
[size=13.3333px]RZC7514功能特性
? 单 USB 端口控制器
? 工作电压范围 4.5V 至 5.5V
? 依照 USB 电池充电技术规格 BC1.2,支持 USB DCP D+线路短接至 D-线路
? 依照中国电信标准 YD/T 1591-2009,支持短接模式(支持 D+线路短接至 D-线路)
? 支持在 D+和 D-线路上均施加 2.7V 电压的 USB DCP(或者是在 D+线路上施加 2V 电压,
在 D-线路上施加 2.7V 电压的 USB DCP)
? 支持在 D+和 D-线路上施加 1.2V 电压的 USB DCP
? 自动为连接的器件切换 D+和 D-线路连接
? 采用 SOT23-5 封装

7514封装信息.JPG(19.27 KB, 下载次数: 1)
下载附件 保存到相册
2016-7-16 10:16 上传
rzc7514封装信息

7514内部框图.jpg(23.33 KB, 下载次数: 1)
下载附件 保存到相册
2016-7-16 10:16 上传
RZC7514内部框图

7514自动识别功能.jpg(39.4 KB, 下载次数: 2)
下载附件 保存到相册
2016-7-16 10:16 上传
RZC7514自动侦测

