求高手解答这个评估板是如何布线的
时间:10-02
整理:3721RD
点击:
本人最近从买了些测量两个电容之间极小的差值的芯片,但制造商已经不再生产这个芯片的评估板了, 所以我要自己设计一个评估板,我手里有的资料就是评估板原理图和评估板的图片, 但有一处布线我没有看懂,求高手解答。
我的理解是,芯片SI引脚(红色箭头处)向左先连接到一个过孔,将信号导到底层板,然后连接到位于左侧放大器第三引脚下方的过孔,然后连接到板子最左边圈起来的三个孔中中间的一个。 另外可以看到,在上面提到的第一个过孔的左侧有一根很宽的导线,这个导线和过孔是隔绝的,并且导线就停止在过孔处,没有继续延伸到某一引脚。导线向左连接到放大器的前两个引脚,然后又连接到板子最左边圈起来的三个孔中的上下两孔。
求高手解答我对于连线的描述是否正确,如果正确的话,为什么这个区域的连线这么奇怪?
评估板如下

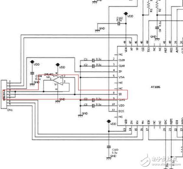
原理图如下

我的理解是,芯片SI引脚(红色箭头处)向左先连接到一个过孔,将信号导到底层板,然后连接到位于左侧放大器第三引脚下方的过孔,然后连接到板子最左边圈起来的三个孔中中间的一个。 另外可以看到,在上面提到的第一个过孔的左侧有一根很宽的导线,这个导线和过孔是隔绝的,并且导线就停止在过孔处,没有继续延伸到某一引脚。导线向左连接到放大器的前两个引脚,然后又连接到板子最左边圈起来的三个孔中的上下两孔。
求高手解答我对于连线的描述是否正确,如果正确的话,为什么这个区域的连线这么奇怪?
评估板如下

原理图如下


