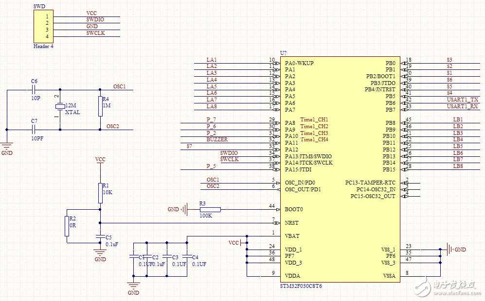
STM32f030的最小电路图,SWD模式一直下载不进去,原来使用stm32f103时没问题,是否跟芯片自身有关
时间:10-02
整理:3721RD
点击:
只接了复位电路、BOOT0、外部晶振、和SWD。其中复位电路处R2用于短接复位,未焊接0R电阻。上电时SWD连不上芯片。 晶振处的电容10PF和22PF都试过,1M电阻也去掉试过都不行



SWDIO加10K上拉和SWCLK加10K电阻下拉都试过,
加上NREST应该就得行了。
