STM32F103RCT6烧毁问题
时间:10-02
整理:3721RD
点击:
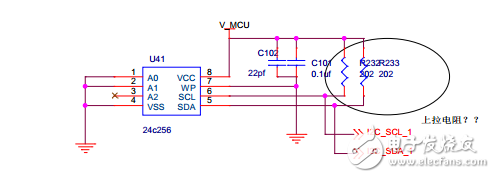
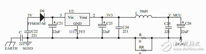
电路板检测没问题,原理图没问题,但是单独焊上CPU与外围电路 包括复位电路 参考电压处电容 以及5V转3.3V电源电路,焊上芯片没一会电流增大烧毁芯片3.3与地短路,单独用3.3V供电到其他开发板无问题,所以电源无问题,外接电源3.3也造成芯片烧毁 现在办法没法解决了 求搭讪指导 部分电路下图




你先不要焊接芯片,先焊接电源部分,这是原则,检查电源没有问题之后再焊接芯片
同意2楼的意见 空载试一下 逐步增加负载看看
对 我是先焊接电源 另加负载上电测试 电源没问题
按照你这个描述的话,有没有可能是你的这批次单片机质量不过关?
啊,如果供电没有问题,单片机的话理论是不会有问题的啊
我意见是同意一楼意见,你在焊接主芯片以前先用万用表测一下芯片对应的管脚的电压,测一下对地电阻,这样应该可以发现问题,也许哪个引脚接地造成芯片输出电流过大呢?或者不小心那个引脚直接接到了电源呢?这个很有可能的。
同样求教,高手一起交流
不会 换过厂家 一片20块
走投无路了 测过 没问题 一个一个测试的。
如果硬件没毛病不可能烧毁的!
调试电路首先调试电源系统部分,电路看起来没问题,就是焊接问题,照你说的3.3V正常工作就是烧片子,那还是仔细检查芯片外围电路吧,还有看看5V是怎么来的
是的 现在是纠结硬件实在不知道哪里出问题了
