微波EDA网,见证研发工程师的成长!
搜 索
首页
微波射频
射频和无线通信
天线设计
硬件设计
PCB和SI
通信和网络
测试测量
应用设计
研发杂谈
研发问答
首页
>
研发问答
>
嵌入式设计讨论
>
MCU和单片机设计讨论
> 电路中的GND 为啥有很大的杂波》?
电路中的GND 为啥有很大的杂波》?
时间:10-02
整理:3721RD
点击:
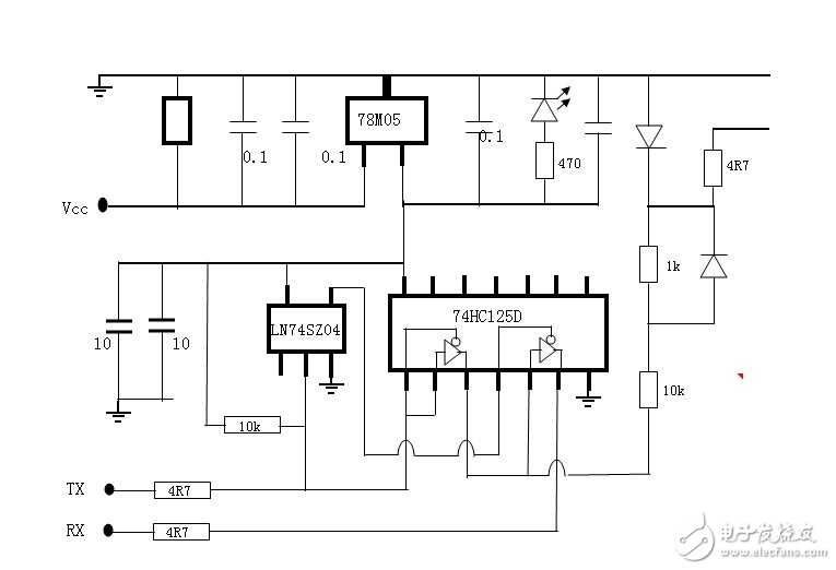
为啥按照这个设计的电路进行焊接之后,GND会有很大的杂波干扰,使得这个半双工失效?特别是信号经过125d之后
PCB打样找华强 http://www.hqpcb.com 样板2天出货
可以帮忙下么?
你这个问题解决没?我也遇到类似问题
上一篇:
求大神解惑
下一篇:
关于串口通信问题
栏目分类
移动通信
微波和射频技术
无线和射频
PCB设计问答
硬件电路设计
嵌入式设计讨论
手机设计讨论
信号完整性分析
测试测量
微电子和IC设计
热门文章
請問CH376的寫入控制?
第36章 FIR滤波器的Matl
PIC XC8 V1.41 PRO版,编译
我只有一个程序的hex和bin文件
第066例:以太网-基于W5500的
STC89C52 外部中断下降沿上升
第27章 抗锯齿实例讲解
实用电子元器件与电路基础 第
Copyright © 2017-2020
微波EDA网
版权所有
网站地图
Top