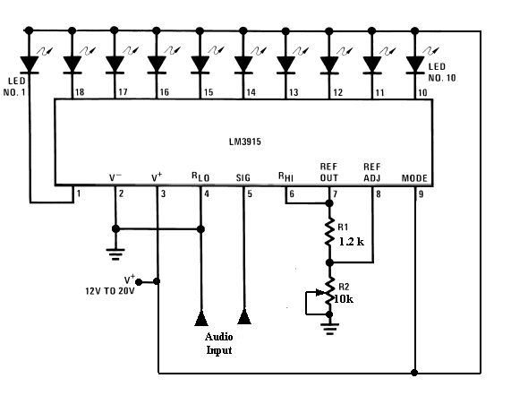
audio input for VU meter
时间:04-06
整理:3721RD
点击:

I have a VU meter circuit as above with a condenser mic which i bought online http://www.cytron.com.my/viewProduct...ondenser%20Mic and is wondering how can i apply the output of the mic to the audio input of LM3915? do i simply amplify the mic output then connect to the circuit?
A condenser mic may produce a strong enough signal to drive the 3915 without being amplified. I'm not sure if you can do this with as low as 1.5V supply to the mic. But if you use several volts then you may get several led's to light at normal speech loudness.
The 3915 will ignore the negative waveforms, and respond to the positive.
If you find the mic signal is too soft, then you can amplify it using a single transistor.
The idle level must be zero V, because no led should light when there is no signal. Hence you might use a PNP type to accomplish this (if you can figure out the right way to bias it referenced to the positive supply, etc.).
Or configure an NPN as in the schematic below.

- Different Input/Output matching
- How do you choose input power while doing loadpull?
- Why an input inductor required in all GPS LNA?
- Input and output impedance matching in Distributed amplifier
- In distributed amplifiers, is it total input capacitance of the gain stage or Cgs
- curve fitting for input and output matching
