low noise amplifier at ku band
Dear pujithakaza,
There is no proper methodlogy for Microwave frequeny biasing ckt, you have randomely vary the resistors, will get the desired Vds and Ids. Because scatering parametes we don't have any method such that in the low frequency biasing circuits. Randomely you choose any biasing ckt such that voltage divider or self biasing or fixed biasing, then randomly vary the resistors till getting the desired biasing condition.
I hope this will help............................
- - - Updated - - -
Dear Pujithakaza,
What ever image you attached , values are not visible in the image. Can you make values visible and attach it.
We are using active biasing technique so that
Vds(Drain to source voltage)=1.5V,
Vgs(Gate to drain voltage)=0.2V and
Ids(Drain to source current)=10mA.......... and can you help out how to check whether i got these conditions in ADS?
Dear Pujithakaza,
What I noticed in your ckt, there is no inductor after your voltage source and no capacitor after your input port and before output port. You introduce inductor with some value after DC voltage source and introduce capacitor with some value after your input port and before output port. Later you take any biasing ckt as I mentioned earlier, randomly vary resistors till getting the desired values of biasing condition.
I hope this may help you...................
- - - Updated - - -
Checking bias conditions, you can connect voltmeter between drain and source and connect current meter at the drain. When you are varying resistances , you will get the variation in the voltmeter and current meter.
Thank you.
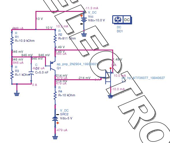
I designed the dc bias circuit as shown
And now I want to plot Noise and Gain circles using Smith chart utility in ADS.
I'm not able to plot the noise circle ... Can you help me out?
