rf transmitter and receiver 433mhz problem
if anybody can help me out!
plzzzzzzz
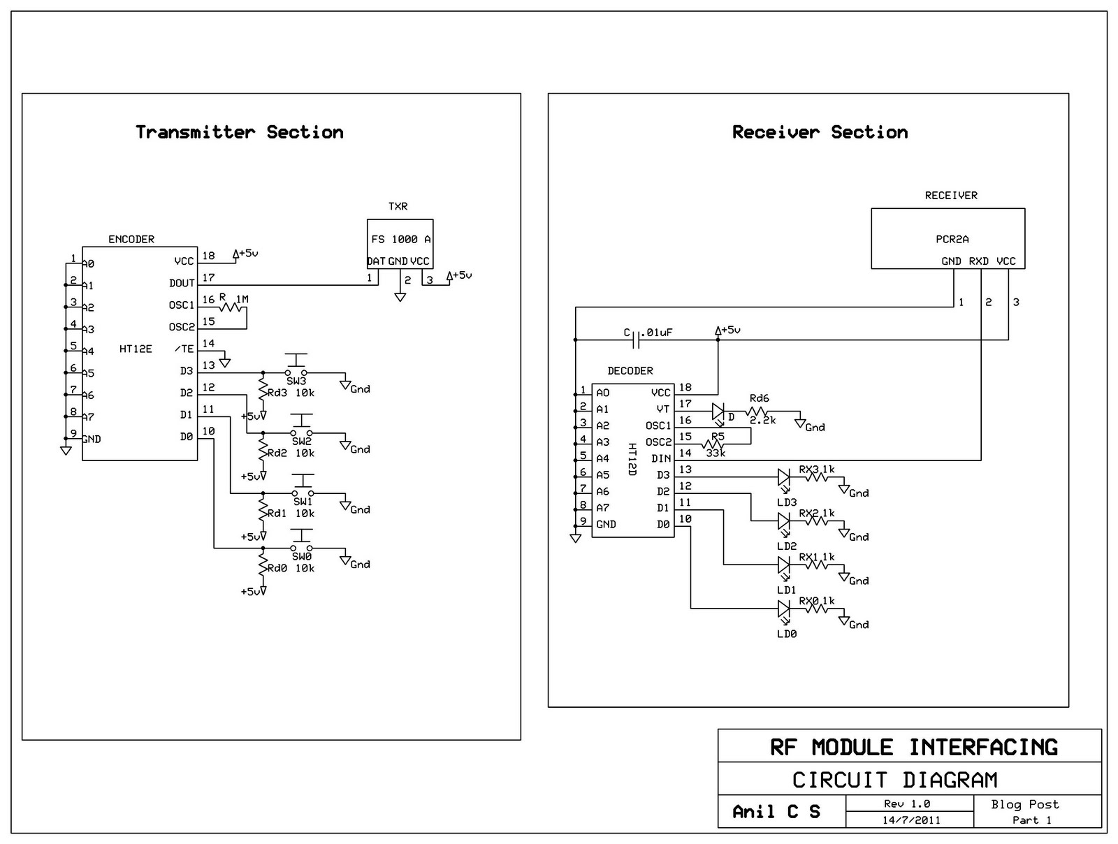
Hi post the circuit diagram.........
plz get back asap mate its quite urgent
tanzzzz :) :)
Not sure if it's your problem, but in breadboard I don't see chips connected to ground like in diagram.
dude, you can not do a 433 MHz board on a protoboard like that! It will NEVER work.
Breadboard one up on FR4 board instead, something with a ground plane on the back is preferred
yea tried grounding them, bt the problem become exactly the reverse i dont get any sort of output irrespective to switches
biff44 sorry dude cudnt get you, i just tried it on a breadboard & not on a protoboard
Is that a cross connection between the power lines?
Biff's telling you that you cannot use the breadboard like you have done
you need to use PCB .... you will have to etch a board abd mount the components
433MHz isnt likely to work on one of those breadboards ( anything over ~ 100MHz would be bad let alone 433MHz)
you cannot have all those long lengths of wire links at 433MHz
Dave
nope. just extended the supply through the bread board.. its just that the power and grnd lines were interchanged in the second half of the bread board
tanx Dave didnt know that... bt tried it in BB because saw videos were people had done this in breadboard
so is it that the lengthy wires are an hindrance to the Tx ?
THANK YOU SO MUCH GUYYZZZZ its working fine :) :) :)
jst found the mistake, was so stupid, didnt power the decoder
tanks for ur time peeps :)
433mhz rf transmitter 相关文章:
- 2.4GHz WiFi module causing interference on 433MHz RF receiver module
- Disturbance in simple 433MHz ASK receivers?
- Re: Design of Directional microstrip patch antenna at 433mhz
- Design of Directional microstrip patch antenna at 433mhz
- [Moved]: Will this 433mhz antenna amplifier work?
- Has anyone tested these 433MHz modules?
