基准电流源的设计问题
时间:10-02
整理:3721RD
点击:
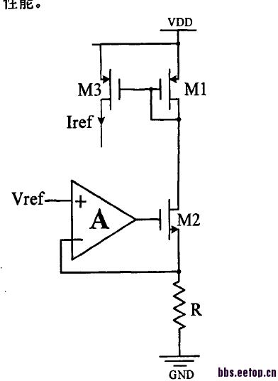
基准电流一般都是输出基准电压转化为基准电流的,转化电路如下图所示,可问题在于这里的电阻,首先电阻有温漂系数,这里我用一个正温度系数和负温度系数的电阻串联实现接近0温漂系数的电阻,温漂解决了;可是电阻的工艺偏差呢,ss与ff让电阻肯定会分别增大和减小,对于高精度的电流源来说这肯定也是不行的,怎么办?
求指教,谢谢,这个电阻用滑动变阻器来调整吗
求指教,谢谢,这个电阻用滑动变阻器来调整吗
trim电阻调节总可以吧
trimming 不如数字信号控制
请问这个数字信号控制是带隙基准流片出来后进行手动调制控制还是自动的逻辑控制啊,就是不管电阻到底是偏大还是偏小,最终基准电流都是稳定的正常值,不需要外部调整?
能提供一点有关trim电阻的文献资料吗,谢谢
看应用场合,一般芯片组内部有 temp sensor 和Process sensor 可以用temp sensor和 process sensor 实现自动校准。如果没有可以在筛片时手动完成。
也可以做无电阻基准源啊
看看各位的方法
学习中!
temp sensor和process sonsor是什么样的结构,实现起来复杂不呢?
要精度的话,这个电阻是外部器件比较好
外部器件的话,那就应该用滑动变阻器?
Tsensor的实现起来难度不大,主要是PTAT电流流过零温电阻,产生PTAT电压,然后用ADC实现输出;
Psensor的采样对象则是Tesnor和阈值电压vth
你是基准为何要变阻器?找一个合适的阻值就可以了阿,高精度电阻0.01%足够了
什么样的应用才需要这么准确的电流啊
你说的高精度电阻0.01%指的是Corner之后的电阻值工艺偏差不超过0.01%?
学习了
片外的电阻,0.01%,20ppm
围观啊
学习ing
经典的PTAT电路,I=VT*lnm/R, 用金属电阻倒是可以让波动大概在5%~10%,这个精度咋样。
基准电流的精度要求是多少?完全不变的是很难的。
学习中。
学习了
片外的电阻肯定很容易保证的。当然前提是舍得给pin。
