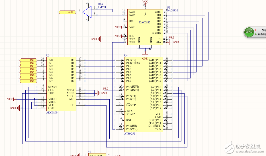
哪位大神能帮忙看看这个ad和da和单片机的连接有问题没有
时间:10-02
整理:3721RD
点击:
哪位大神能帮忙看看这个ad和da和单片机的连接有问题没有
这个以前我做过 忘记了具体接法 需要可以联系我
单片机的P0口是集电极开路输出,也就是OC门,这种结构没有输出高电平的能力。因此需要外接上拉电阻
DAC0832的vref引脚不能直接接电源,作为参考点要么是gnd,要么是负电压,肯定比正电压要低。
还有一点就是p0需要接上拉电阻。
该有的电容和电阻都哪去了?
学习学习,收获好多
链接有没问题得自己去看数据手册。P0接上了电阻这点就不用说了,ADDA、ADDB、ADDC:3位地址输入线,用于选通8路模拟输入中的一路。而你这三个管脚都接地,因此只能转换IN1的输入端口。0809有点out了,管脚太多了。
