微波EDA网,见证研发工程师的成长!
首页 > 研发问答 > 微波和射频技术 > RFIC设计学习交流 > 比较器中的mos管

比较器中的mos管

时间:10-02 整理:3721RD 点击:


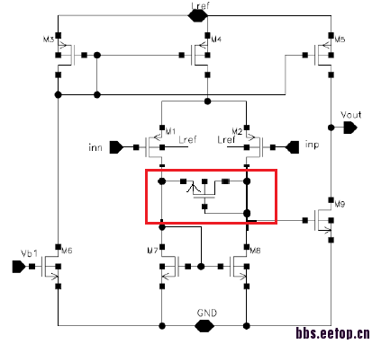
问下比较器中间红框的mos除了限制电压之外什么作用?有什么好处?

MAY be used to mitigate kick-back noise.

防止差分输入过大,版图匹配

Copyright © 2017-2020 微波EDA网 版权所有

网站地图

Top