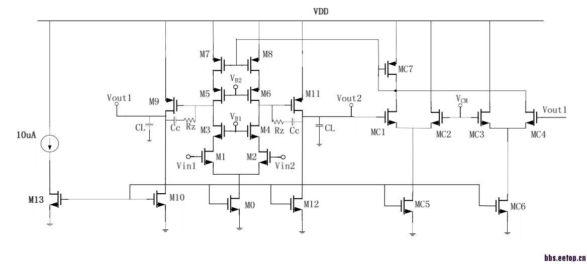
请问VCM如何确定添加值啊?
时间:10-02
整理:3721RD
点击:

请问反馈端的VCM该如何确定啊?
这个值是你希望的输出的共模电平,这是共模反馈电路的目的。
那请问如果我想测量差分输出摆幅的话,该如何测量呀?
差分摆幅不是看vout2-vout1么?没明白你的意思。
输出摆幅用手推一下很容易得到
VCM是你检测到的共模输出,它要被送进一个控制电路去控制偏置进而稳定这个VCM,不是你需要“添加”的什么东西··
差模输出和共模输出都没搞清楚,拉神的书得回去好好看啊···
