谁帮我写个流水灯呀

怎么看的人有,帮忙写的人没有呀,是不是高手不来看,来看是新手呀
我不懂啊
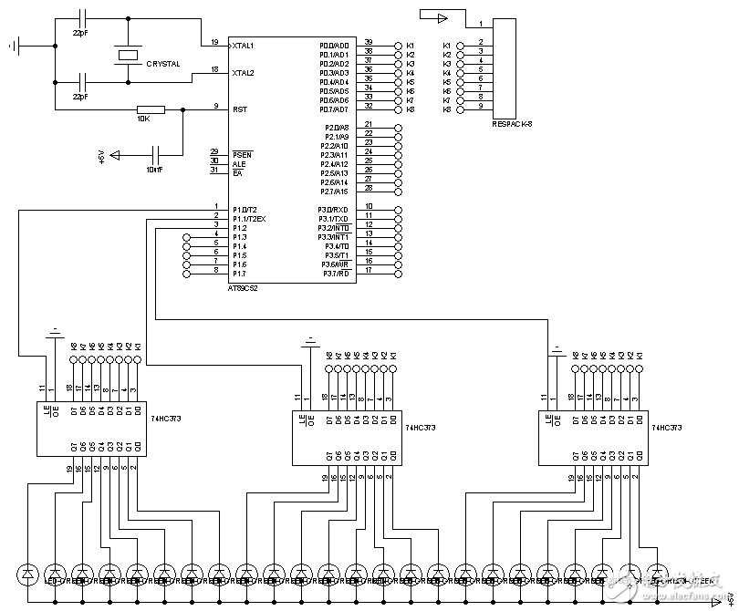
数据选择器,只要看懂原理就知道如何进行控制了,其实挺简单的,好好加油!
不会大循环的程序
#include<reg51.h>
#include<intrins.h>
#define uchar unsigned char
#define uint unsigned int
uchar temp,temp1,temp2,dd,k;
sbit led1=P1^0;
sbit led2=P1^1;
sbit led3=P1^2;
//…………以下延时程序…………
void delayms(uint ms)
{
uint x,y;
for(x = 100;x > 0; x --)
for(y = ms;y > 0; y--);
}
//…………以上延时程序…………
//………………主程序………………
void main()
{
P1=0x00; //把三个锁存器低电平
temp=0x7f;
temp1=0x7f;
temp2=0x7f;
P0=temp;
k=0;
while(1)
{
led1=1;
//……………………………………………………………………
while(temp!=0xfe)
{
temp = _cror_(temp,1);
P0 = temp;
delayms(500);
}
P0=0xff;
led1=0;
led2=1;
//……………………………………………………………………
while(temp1!=0xfe)
{
temp1 = _cror_(temp1,1);
P0 = temp1;
delayms(500);
}
P0=0xff;
led2=0;
led3=1;
//……………………………………………………………………
while(temp2!=0xfe)
{
temp2 = _cror_(temp2,1);
P0 = temp2;
delayms(500);
}
P0=0xff;
led3=0;
//………………………………………………………………………
}
}
//…………以上主程序………………
我就想说,你是不是从来就不学习,还是就不思考,不会不想做就找别人做,51的单片机,下面的器件就一个时能LE,给个高电平就行,这个稍微学一下就会,楼上的你就不能让他自己先多学学吗
现在的高级工程师怎么就这么给新手指导的呀,打了那么多字没一个点到点上问题,我上面的程序不是LE不是控制着的吗?不思考怎么会想到这样连接呢,你们谁有教过新手这样做流水灯吗?都只是用I/O口1对1的浪费IO的方法。只有思考了才会这样尝试(对新手而言),既然能这样想,工作原理肯定是知道,问题就在新手对语句知道的不多,如果真想帮忙的话,就指点一下while(temp1!=0xfe)这里应该用什么样的语句,判断条件又是什么,来点实质性的对新手肯有帮助
