TPS74401中EN引脚的使用咨询
请问电源芯片TPS74401中的EN引脚,置为高时,芯片输出;置为低时,芯片shutdown。请问,我是否可以将EN引脚当做IO口引出到MCU上,再通过此MCU的串口在电脑上位机软件界面上控制TPS74401的输出通断?可以这样使用吗?谢谢!
EN引脚需要的最大电流为1uA。
可以。但是最好接上拉或者下拉电阻,然后根据IO的电流能力设置电阻阻值
因为在上电初始MCU的IO口是高阻,需要上拉电阻或者下拉电阻来确保EN引脚的状态
好的,谢谢。其实我使用的是xilinx V5中的microblaze软核,这样的话IO的驱动能力应该是足够的。不过还是像您说的,将上拉或是下拉电阻预留出来设计比较好。在此感谢!
不客气
我用FPGA的IO口控制 TPS74401的 EN 管脚,使其处于shutdown mode,但是VOUT 还是有1.6V(正常输出3.3V),关断不彻底。我只是想断电重启一下CPU。如果这样行不通,是不是有什么控制电源开关的电路,重启CPU?
这个电压的存在与TPS74401没有关系,原因是当电压低于1.6V时,你FPGA的管脚消耗的电流非常小,TPS74401的反馈分压电阻消耗的电压也很小,所以这个电压被保持住了,你可以用电阻串联小mosfet来泄放这个电压

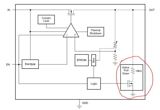
有些LDO含有output discharge功能,如红圈所示
如果LDO不含有,你可以把那部分电路在LDO外面搭出来
这个功能不是每个应用都需要的
可以拉EN脚来控制,但是要注意匹配拉电流能力,一个是保护功率芯片,一个是保护MCU,实在不行,就搭个小电路来拉电流呗

10K我用的是4.3K代替的,EN有个4.7K上拉到5V,FPGA的IO给了200ms/500ms的低,但是VOUT只能拉到一半的样子(1.6V),我选料选错了吗? 还可以从哪个方向思考把VOut拉低? 谢谢
