遥控漂移车上怎么用单片机控制车灯?我的蓝图能否完成?
时间:10-02
整理:3721RD
点击:
请问各位朋友,我想改装一下遥控模型车。
我的设想:
1.启动模型车,以及车走的时候,车前灯亮
2.模型车停止5s后,所有灯灭
3.左拐弯,左后方车灯亮,右拐弯右后方灯亮
4. 模型车马达停止供电,后车灯的红色led亮
各位朋友,看看我的设想能不能完成,积极提供有用资料啊,
好点子一定要分享才有价值
大家围观
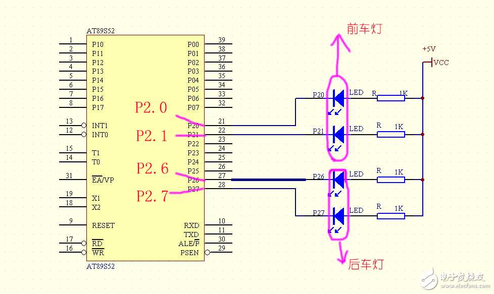
我设想的电路图,但是不知道怎么和模型车关联:

我现在只会用单片机做流水灯,还有pwm那样灯逐渐亮。还会数码管显示。所以对单片机还不是很了解。所以想问问,51单片机能不能配合遥控车的马达或者舵机实现 对车灯的点对点智能控制。希望老师指点一下新手
