求助懂的人帮忙分析以下的应该是单片机得线路功能!
时间:10-02
整理:3721RD
点击:
看到一个类似感觉是单片机的线路,求懂的人分析
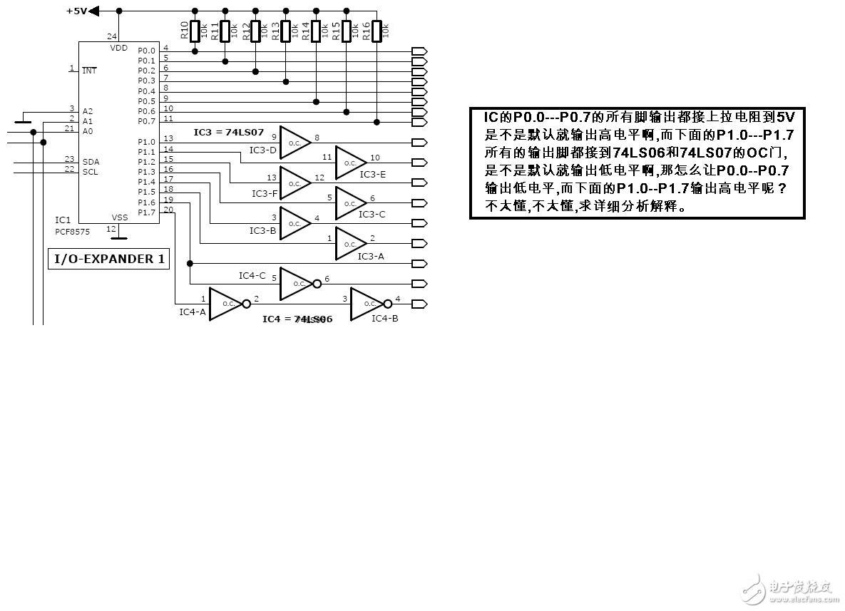
我自己的理解就是P0.0---P0.7都输出高电平,因为每个管脚都有上拉电阻接到5V
而P1.0---P1.7都输出低电平,因为都连接到OC 门。
我觉的应该不对,请大侠帮忙分析
PS本人单片机很烂~~正在自学中!
我自己的理解就是P0.0---P0.7都输出高电平,因为每个管脚都有上拉电阻接到5V
而P1.0---P1.7都输出低电平,因为都连接到OC 门。
我觉的应该不对,请大侠帮忙分析
PS本人单片机很烂~~正在自学中!
抢个沙发等高手帮忙讲解,感谢了先~~~~
建议认真看看单片机书关于8051单片机P0口和其他口的区别。
ok,感谢回复~
上拉电阻起到的是提高驱动能力,默认IO管教是高电平,但通过程序置0 可以输出高电平的 因为单片机内部结构的原因。至于7406,7407 一个是反相器 一个是缓冲器
看看这个就明白了
http://wenku.baidu.com/view/ae5da049fe4733687e21aa4d.html
解释的好
