求与CD4052相似的模拟开关,具体描述如下
时间:10-02
整理:3721RD
点击:

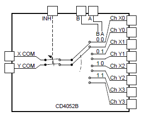
CD4052
有两对多余的通道是不用,这样可以减小芯片尺寸,板子尺寸限制,控制器IO也只有一个,去掉两个通道后,控制只有AB中的一个,有这样双路两通道切换的芯片吗,推荐一下
您的意思是需要2选1的差分信号开关是吗?您是切换什么差分信号?
CD4052如果只是用其中两个通道,不用的输入通道可直接拉高或接GND。
对,就是2选一的开关,如果有的话最好,没有也没办法了
是二选1的差分开关,有的话推荐一下
那TS3USB221A满足您的架构需求,但主要用于USB的应用,您看下,如果IO接口电平,带宽要求是否满足您的应用。


这个要用于CAN通信,图上的R14、 R15、 R17、 R18 现在用模拟开关代替,通过程序去选择是CAN1还是CAN2通信
通信速率是2M
上图中从P4出来的CAN 信号接你推荐这个芯片的D+D-,然后从这个芯片输出两路,一路是CAN1,一路是CAN2,这样就实现一路CAN切换到两路CAN
