ULQ2003AQ G4输入端下拉电阻可以去掉吗?
以前ULQ2003AQ G4的每个输入端,我们都加了一个100K的下拉电阻到地,然后再和单片机的IO相连,加下拉电阻是为了增加稳定性,这些下拉电阻可以去掉吗?我看过别人的产品,怎么有的加了下拉,有的没加,到底是加不加,谁帮我分析下?
加不加都没有什么影响
我看了别人的用的ULN2003AFWG,上面都加了3K的下拉电阻,如果加不加没什么影响,加上去作用是什么呢?这不烧钱吗?
它内部就是一个达林顿管,输入级带二极管保护。加一个下拉可以分一部分I/O的电流而已,对于稳定性,我实在是看不出来有啥改善。当然,有一点好处就是你在I/O配置为高阻时候可以保证2003输入端是有效的电平
在TI的应用笔记中,有一篇是讲MSP430单片机与ULN2003接口的,我查了一下,在这里并没有说明要使用下拉电阻。不过可能ULN2003AQ内部结构跟TI的ULN2003不一样吧,比如TI的ULN2003LV 是具有内部输入下拉电阻的,可以在I/O高阻的时候保持有效输入电平
刚才找到ULQ2003A-Q1的手册,发现它内部是没有下拉的,所以在I/O有可能开路/高阻的情况下加一个下拉,使2003输入可以在“三态”情况下使用
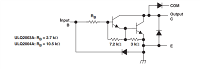
我觉得没有添加的必要性,根据手册中给出的电路图,在输入级已经加入了基级限流电阻和下拉偏置电阻:

亲;是否加下拉电阻;取决于环境噪音和前级驱动能力。
由于三极管的输入极有自检波效应,在高噪音环境有可能进入线性或导通状态。因此;高噪音环境下需要加这颗电阻。
但是;这个电阻同时会增加前级驱动的负荷,因此;对于弱驱动前级,不适宜加。
所以;你看到有的场合有加电阻;有的却没有。这些都是正常的。
讲的挺有道理的,举个例子,突然来个噪声脉冲信号,到2003的输入端,脉冲时间为1us,脉冲幅度为6V,没有额外下拉电阻,2003内部的三极管可能会导通,或者会在线性区,此时很可能短暂的工作了,如果额外加个下拉电阻,持续1us的6V噪声,噪声电压会被拉低,但是针对噪声而已,干嘛不加电容到地,加下拉电阻到地,噪声信号还在(可能幅度变小点),如果加电容到地,不就直接没了吗?亲,你能解释下吗?
亲,加电容后,输入因电容而延时。电阻不会且能改良关断特性。
请问一下uln2003lv可以直接用msp430驱动吗 输入角悬空状态 输出是什么状态
可以用430驱动啊,ULN2003输入悬空? 你的意思是不用的输入可以直接悬空吗?
单片机刚上电io状态为浮空输入,那这个时候uln2003lv的输出状态能稳定吗 是什么状态
没关系,ULN2003悬空输入,那么没有输出。

这样使用uln2003lv可以吗 io口悬空时保证继电器是断开的 还有问下io为0的时候 继电器是断开还是闭合
