微波EDA网,见证研发工程师的成长!
搜 索
首页
微波射频
射频和无线通信
天线设计
硬件设计
PCB和SI
通信和网络
测试测量
应用设计
研发杂谈
研发问答
首页
>
研发问答
>
硬件电路设计
>
电源设计讨论
> 开关电源原理图
开关电源原理图
时间:10-02
整理:3721RD
点击:
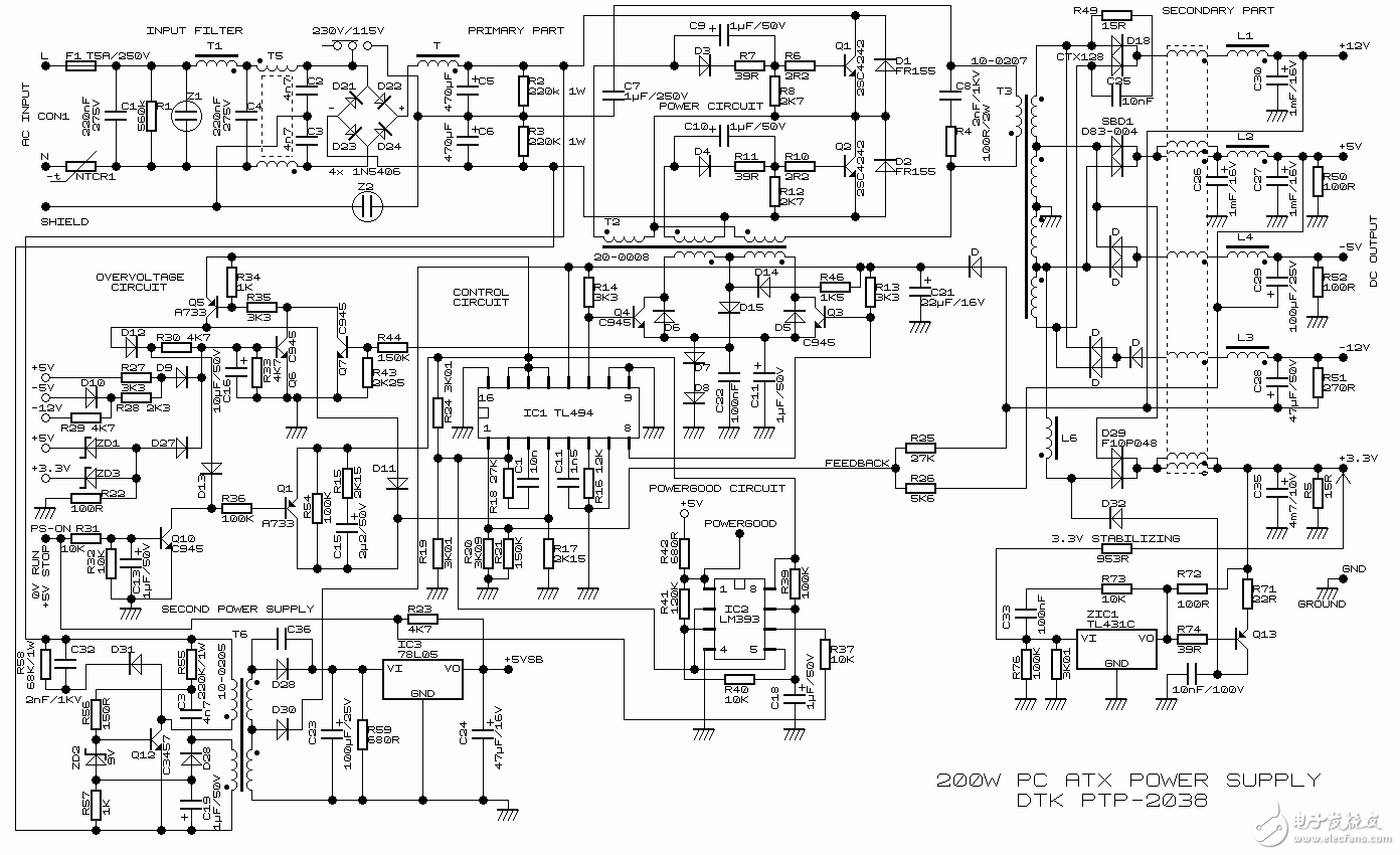
在网上下载的,分享一下。
上一篇:
电源模块检测环节的几个关键点(二)
下一篇:
合格的移动电源具有哪些安全保护措施
开关电源
相关文章:
求助:做开关电源需要什么基础
开关电源的输入电压与输出电压之间的关系?
浅析开关电源原理
上海新进半导体公司诚聘!2012年2月份最新职位空缺!
关于这个开关电源电路图的求助
学习开关电源怎么开始?
栏目分类
移动通信
微波和射频技术
无线和射频
PCB设计问答
硬件电路设计
嵌入式设计讨论
手机设计讨论
信号完整性分析
测试测量
微电子和IC设计
热门文章
weiduka ac8.8 高级音响专用
以太网口 的bob Smith电路作用
求解:3.7V锂聚合物电池 低电
求助,关于sx1308升压电路的问
ATX电源改可调电源 EST750
跟大家分享非常好的硬件设计与
哪家的电池管理系统(BMS)好
双MOS后切调光
Copyright © 2017-2020
微波EDA网
版权所有
网站地图
Top