微波EDA网,见证研发工程师的成长!
搜 索
首页
微波射频
射频和无线通信
天线设计
硬件设计
PCB和SI
通信和网络
测试测量
应用设计
研发杂谈
研发问答
首页
>
研发问答
>
硬件电路设计
>
硬件电路设计讨论
> 有偿求助!SC电路传递函数计算
有偿求助!SC电路传递函数计算
时间:10-02
整理:3721RD
点击:
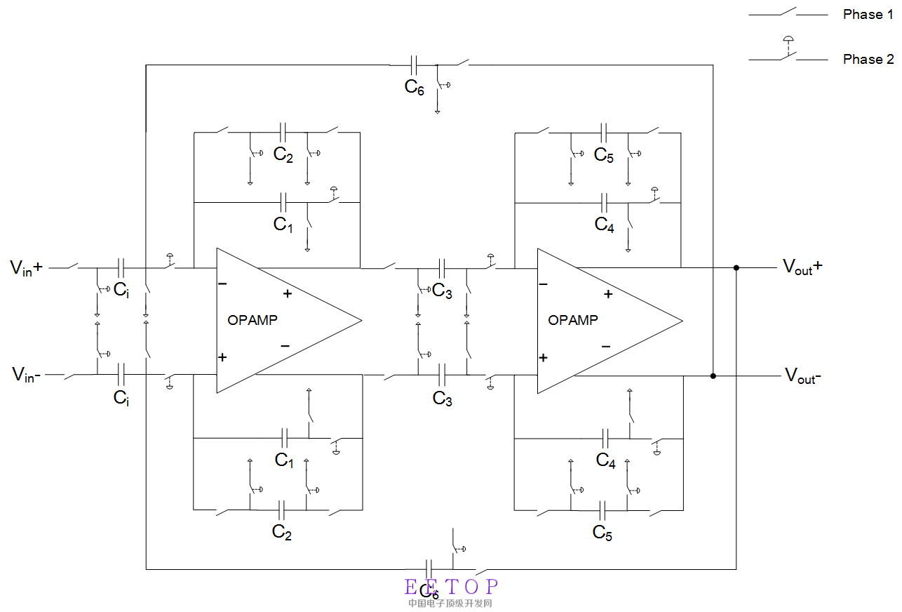
想请教如何计算此SC电路的传递函数H(z), 详细讨论可加微信:was336789
上一篇:
求助!关于电桥一端输出突变的问题
下一篇:
请教各位关于cadence 仿真中功耗计算的问题
集成电路
IC设计
电子工程师
硬件设计
电子电路设计
半导体
相关文章:
集成电路检测的注意事项
数字集成电路必须注意事项
锂电池集成电路内的热调节功能
第3篇.稳压集成电路中的电容器
实用低频功率放大器设计
很有难度的模拟弱信号的放大电路
栏目分类
移动通信
微波和射频技术
无线和射频
PCB设计问答
硬件电路设计
嵌入式设计讨论
手机设计讨论
信号完整性分析
测试测量
微电子和IC设计
热门文章
请高手指点:mini pcie设备的
使用AD620设计一个将4uV信号放
dB,dBi, dBd, dBc,dBm,d
有没有高密度封装的mos管或者
关于两个MOS管串联作为开关tl
Re: 有用python开发仪器控制
关于BAV99的作用
跪求KODEC MD6222(遥控器IC
Copyright © 2017-2020
微波EDA网
版权所有
网站地图
Top