请高人详细讲解一下这个继电器电路的工作原理
时间:10-02
整理:3721RD
点击:
我对继电器不熟,请高人详细讲解一下这个电路的工作原理,还有这个继电器的选用我也不熟悉。谢谢了!在线等,急,急!

ddddddddddd
我想这个电路应该是继电器的串联实现互锁之类的意思吧。XS1是对外插头。具体我就不知道了,恳请高手指教!
新手飘过,顺道学习下
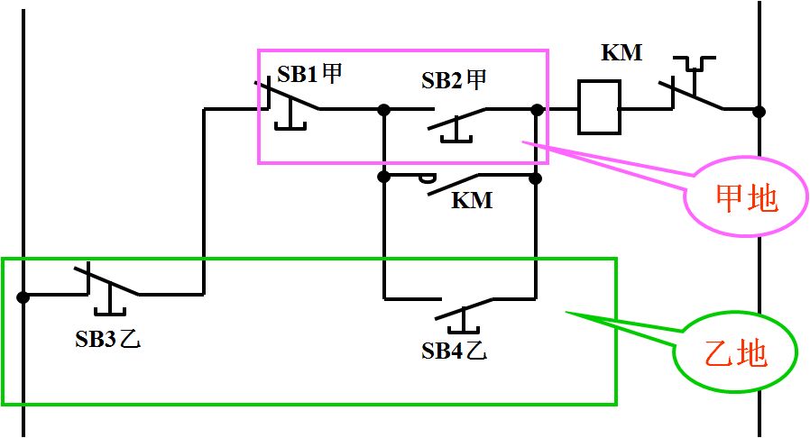
那这个不全的图左边继电器这边画得规范吗?SB2是不是所谓的行程开关是不是按一下13,14接通;23,24不通再按一下13,14断开23,24接通是不是只有这两种状态?还有这个不全的电路实际上是由几个继电器组成?如何判断电路一共有多少个继电器,哪些时属于一个继电器的。我想不是画在一起的常开常闭触点是一个继电器的吗?如下图,下图这样画就可以看得很清楚一共是两个继电器是吧?甲乙两地同时控制一部电机的启动。
看着应该是电气的东西
有高人回复说sb1~sb4为两地开关,于sb2并联的KM是辅助触点。SB1.SB3串联它的颜色按规矩应为红色,含义为停止按钮。SB2.SB4为启动按钮。此中的KM为自锁触点,块形KM为接触器线圈,右边的图形符号为热继电器,起安全保护作用】
是不是啊?
为什么看的人还挺多的就是没有人回复呀。不行的话大家来讨论一下也可以的撒
我只是来看看 学习学习
