ADI 数据采集系统ADUCM360系列常见问答
针对低功耗、完全集成的24位数据采集系统ADUCM360/1系列器件,ADI专家就用户实际应用中的问题总结出一些常见的问题及解决方法。这里分享其中的几个问题给大家。完整文档请点击→https://ezchina.analog.com/thread/15474
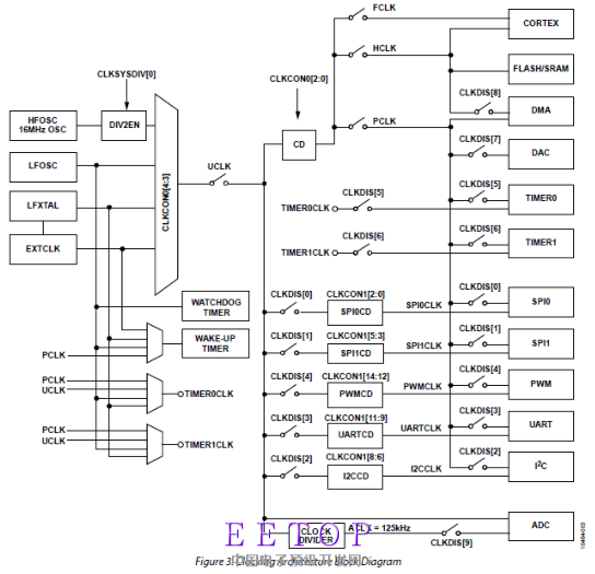
Q:ADUCM360/ADUCM361 的每个外设有两个时钟,他们有什么不同吗?
A:以 UART 为例,CLKDIS 时钟指的是总线时钟,指的是内核操控外设时所用的时
钟信号。UARTCLK 指的是串口外设的工作时钟,串口通信速率就是由 UARTCLK 时钟
决定。同样道理,定时器的定时时钟由TIMER0/1CLK 决定,SPI,I2C 的通信速率由
SPI0/1CLK,I2CCLK 决定。

Q:ADUCM360/ADUCM361 的 的 ADC 测量范围是多少,如果需要测量负电压应该怎么办?
A:ADUCM360/ADUCM361 的输入范围分为绝对输入范围和差分输入范围。在没有使能内部缓冲器的情况下,其绝对输入范围是从 AGND 到 AVDD;使能内部缓冲器的话其输入范围缩小至 AGND + 0.1V 到 AVDD-0.1V。差分电压的范围会随着增益的不同而不同,对于增益大于 32 的情况下,其差分电压的范围您可以查看数据手册的表3 和表 7。

如果需要测量负电压,需要使用电压抬升电路或者是带共模电压设置功能的差动运放,如下图所示的连接方式。

Q:ADuCM360 和ADuCM361 是否支持存储器到存储器DMA传输?
A:是的,ADuCM360 和 ADuCM361 支持存储器到存储器传输。任何专用DMA通道都可以用于此类传输,也就是说,存储器到存储器传输并没有特定通道。下面的示例使用通道 0(SPI1TX DMA 通道)。
1) Flash 到 SRAM
设置 DMA 基地址指针
来源端指针指向 Flash 中的某个位置
目标端指针指向 SRAM 中的某个位置
自动请求 DMA 传输类型
使能 DMA 通道 0
使能 uDMA
在通道 0 上发起软件请求
2) SRAM 到 Flash
开始传输之前:
必须擦除 Flash 目标页。
必须使能 Flash 写操作。
然后就可以按照示例 1)所述的步骤操作,不过来源指针和目标指针应调换。
Q:ADUCM360/ADUCM361 的数据寄存器格式是怎样的?
A:ADUCM360/ADUCM361 的数据寄存器总共有 32 位,有 24 位的转换结果,但是有效位会随着增益的不同而不同,如图所示。当增益为 1 时,28 到 31 位是符号位,6到 27 位是数据位,3 到 6 位是噪声位,0 到 3 位是零。当设置 PGA 增益为 2 时,数据自动右移一位,符号扩展位增加一位,噪声减小一位。这样的设计方便了工程师使用内部 PGA 时,不需要再对数据进行乘除运算。无论设置怎样的增益都可以通过公式(VREF)/228) × ADCxDAT (带符号转换结果)或者(VREF)/228) × ADCxDAT (不带符号转换结果,只有正值)。

