ADI官网2016年最受欢迎的10篇应用笔记
10篇最受欢迎的应用笔记呈现给大家,汇总来源:ADI中文技术社区 https://ezchina.analog.com/thread/15098
一.《同步多个基于DDS的频率合成器AD9852》
如何使两个或多个AD9852同步,并且能同时考虑到相位误差源,本应用笔记告诉你!

二.《以输入箝位放大器取代输出箝位运算放大器》
输入箝位放大器(ICA)比输出箝位放大器(OCA)具有更好的 箝位性能。对于多数应用,可用ICA取代OCA,但根据各种电路的细节,必须进行必要的修改,以成功完成更替。 要成功应用ICA,必须根据具体情况处理各种电路。本应用笔记提到的技术描述了多数常见情况下需要的电路变更。

三.《isoPower器件的辐射控制建议》
对于含有isoPower器件的应用的辐射和噪声控制,PCB布局与结构是非常重要的。本应用笔记将阐明相关辐射机制,并提供解决辐射问题的具体建议。

四.《具有可编程模数的直接数字频率合成器(DDS)》
可编程模数是基于累加器的典型DDS的修订版,它将DDS的使用扩展到要求精确有理数频率合成的应用。AD9913是ADI的第一款提供可编程模数架构、基于累加器的DDS产品。

五.《选择低带宽(<15 kSPS) Σ-Δ型ADC》
ADI提供种类丰富低带宽、高分辨率的Σ-Δ ADC,除ADC外,这些器件还内置电流源、多路复用、PGA和模拟输入缓冲器。本应用笔记介绍使用这些ADC的部分应用以及最适合这些ADC的应用。
六.《֑采样数据系统基本原理》
实际的模数转换过程涉及到两个关键概念:离散时间采样和量化所致有限振幅分辨率,而了解这些概念对于应用DSP至关重要。那么问题来了,你真的了解它们吗?

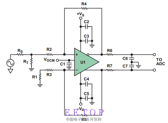
七.《֑高速ADC驱动器设计考虑》
本应用笔记能够帮助大家思考在设计ADC驱动器时必须考虑的各种因素,深入了解差分放大器并从最初就注意到设计细节,有利于减少将来的问题,降低风险。

八.《֑数字正交调制器增益》
数字正交调制器出现在众多通信及信号处理IC中,本应用笔记旨在说明数字正交调制器的基本构建模块,并分析三类输入信号在调制器中产生的增益。

九.《֑数字电位计:常见问题解答》
解答有关ADI公司数字电位计常见问题,涉及一般问题和常见问题,还包括特定产品的问题,并且提供数字电位计配置信息。
十.《֑RF检波器的低频工作特性》
ADI的产品系列中,大部分RF检波器可在高至8.0GHz的频率范围内工作,那么低频率范围你又了解过吗?本应用笔记总结了这些器件的低输入频率性能,附性能曲线图哦~
THANKS
