华成英模电视频第八讲的关于消除失真的问题
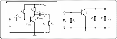
阻容耦合放大电路 交流等效电路
直流负载线和交流负载线
自顶一个.
最近也看到这里,我也觉得有点问题。不过我觉得是截至失真也是可以消除的。失真指的是静态工作点设置不合适,加动态输入信号时负载线与输出特性的交点至饱和或者截至区形成饱和和截至失真。对于阻容耦合放大器加负载后动态负载线更陡,从而使输入的动态信号在输出端对Vce的变化变小,从而在相同的动态信号作用下可能使负载线与晶体管输出特性曲线交点避开Vces和Vcc而消除两种失真。
对哦,你这么说我想明白了,应该是两种失真都是有可能消除的。加了负载之后使输出信号的变化的上下幅度变小了。
嗯,是的。就是对于相同的输入信号变化而言现在输出变化幅度变缓。截至失真我也想明白了,阻容耦合空载加负载后是会如解决饱和失真类似“缓解”这种失真。但是无法根本上消除这种失真的,因为截至失真的根本原因是在输入回路,是由于静态工作点IBq过低造成的。当输入信号作用于输入回路时,产生的交流电流ib就已底部失真(二极管输入特性曲线底部导通时,变化缓慢)而不是像高静态基极电流IBq时近似标准的正弦曲线。所以是无法根本上解决截至失真的。那么华成英老师说的“加了负载后截止失真会更严重”我觉得是有点问题的。因为加了负载静态工作点Q是没有右移的,所加负载并没有减小直流负载的那个等效电阻的。
嗯,听你这么说,我上个帖子想错了,截止失真跟输入有关,饱和失真跟输出有关,加了负载只是解决输出的问题,解决不了跟输入有关的截止失真。“加了负载后截止失真会更严重”好像也有点问题,加了负载后,输出曲线的每个点与没加负载时的输出曲线的每个点都是线性关系的,所以没加负载时的输出曲线被截止失真截断的部分(看起来不像是截断的,而是变化变慢了)占完整信号的比例与加了负载之后的截断部分所占的比例是一样的,如果以这个作为判断截止失真的严重性的标准,加了负载后的截止失真和没加负载时的严重程度应该是一样的。
嗯嗯,是这样理解的。就像华成英老师说的,截至失真输出的顶部失真并不是一段不变的直线,而是幅值变小变化变缓而已。
好,我看过的最好的资料!
