电路设计漫谈 之73:电容与有容乃大
时间:10-02
整理:3721RD
点击:
电路设计漫谈 之73:电容与有容乃大
众所周知,电容是储存电压的器件。它的一个主要特性是隔直流通交流,也就是只有交变的电压加到电容上才能产生电流:I = CdV/dt。由于这里没有了电感公式的那个负号,电容也没了电感那种反抗精神J. 电容对于所有的电路设计是必不可少,不信你可以看看任何一个电路图,电容用的数量会大大超过电感。
电容的模型可以用一个水瓶来表示。水瓶内水的高度就是充电的电压,注入水瓶的水流速就是充电电流。如果想快速充满水瓶,就需要快速的水流。
一般分析电容瞬态特性最简单直观的方法是用频谱的方式。电容的容抗可以表示为1/jwC或者1/j*2*Pi*f*C. 这里f是工作频率。由于容抗跟频率成反比,那么在高频无限大的情况下其容抗为0. 一个step信号上升沿的频率分量也是很丰富的,越陡的话其高频分量越高。当上升沿为0时,则蕴含了无限高的频率分量。所以一个上升沿为0的step信号加到电容上,可以认为在上沿的瞬间电容是短路的。这个简单的模型可以用来分析大多数开关电路和电源滤波特性:方波上沿的频率分量无限大,无限大频率分量下的电容容抗为0.
电容高频瞬间短路的特性对电路的上电设计有很大影响。我们有时看到将电气设备插到电源插座中时有火花产生,这就是瞬间上电对设备的输入电容充电引起。这是可以等效成一个快速上升沿的电压对电容充电,充电的瞬态电流瞬间极大:Is = C dV/dt。一般比较讲究的设备尤其电信网络设备会有inrush current控制或者叫soft start电路。其作用是在上电时由一个MOSFET控制电源慢慢开启,逐渐对设备的输入电容充电,用来减小这种瞬态电流的冲击。这跟感性负载在断电时产生瞬态高压相对应。

Fig 1: 电源软启动电路
另外一个典型的例子是电容滤波。我们知道没有纯电容器件。实际的电容器件是有泄漏电流产生的寄生电阻ESR,以及管脚或者电容本身产生的寄生电感ESL。电容既然是滤波用的,它上边就有变化的电流流过, 我们希望对所有噪声频率电容的容抗都为0,但实际情况肯定不是这样。下图为一个典型的电容频域曲线:

Fig 2: 电容的频域特性
图中可以看出由于寄生电感的存在,开始表现为容性的电容,经过谐振点后开始表现为感性。所以在高频端电容器件就不能当纯电容使用了!
电容的ESL主要是来自电容器件的封装。下表是一个典型SMD电容器件的寄生电容量级对照表。

Fig 3:电容的ESL与封装的关系
可以看出封装越小的电容器件,其寄生电感越小。但有意思的是1206和0612两种封装的器件,器件尺寸一样后者只是封装的引脚在长边,但其寄生电感值显著的减小!
对于电源滤波一般需要选择不同容量的电容,以便充分利用其在频域不同的谐振点,达到滤除不同频率噪声的目的。但一个容易忽略的因素是电容的封装。假设某个电路需要选取1uF,0.1uF, 0.01uF三种电容。如果都选取0805封装则等效的滤波频谱则如图4A黄色曲线所示。但如果我们把它们选取成不同的尽量小的封装,则由于优化了ESL的影响得到一个更加完美的滤波特性,图4B所示。减少寄生电感的另一措施就是老生常谈的滤波电容要靠近电源管脚。每个电源管脚至少接一个滤波电容。其作用都是为了减小ESL。

Fig 4:不同封装电容组合后的频域特性
电容器件除了寄生电感ESL外还有寄生电阻。滤波电容是为了吸收“噪声电流”In。这个噪声电流不但在寄生电感上产生噪声,也在寄生电阻ESR上产生电压噪声:
Vn = ESL dIn/dt + In *ESR
选取尽量小的ESR/ESL,尤其对于高频电路,比选择更大的电容更有效。
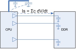
滤波电容另一个特点是起到瞬态供电的作用。大部分电路的负载是容性的。对于有着很宽数据总线的高速DRAM或者NP等电路,总线需要瞬间对大量负载电容充电,高速电路需要在尽量短的时间能完成0/1电平的建立。速度越快需要的充电电流越大( I = CdV/dt)。但这种瞬态电流不是由电源提供的!一个标称功耗几十A的大容量高速电路板,瞬间电流的需求可能达到几百A!这就是为什么大容量高速电路板设计完了,还要在几个区域均匀布上一些大电容的原因。这些电容起到“瞬态电流水库”的作用,在高速信号切换的瞬间提供上述公式所需的瞬态电流。那些布满每个电源管脚的小滤波电容,也在某种程度上起到小水塘的作用。

Fig 5: 电容提供开关瞬态所需电流
说了这么多其实就是一个公式的影响和应用: I = C dV/dt。伟大的公式都是简单的,简单的公式不但美,其内涵的意义也是伟大的。当然最美的公式应该是 E = mC^2。
注:Fig2-4 引自http://www.planetanalog.com/
顶小编
好贴,内容精辟。
复习了,谢谢小编。
really really good stuff。
好帖子,拜读了!
不过关于旁路电容作用的讲解,我觉得还是TI的应用工程师那篇文章写得好!
大家可以看看:http://www.deyisupport.com/blog/ ... 13/09/17/51504.aspx
讲得很透彻,学习了!
关于旁路电容,大家看看TI应用工程师的文章:
http://www.deyisupport.com/blog/ ... 13/09/17/51504.aspx
哈哈哈 真好
学习,小编继续发扬
學到一個新觀念!原來在高頻環境下,電容可視為斷路!
不断地学习与复习总是好的!
感謝小编分享
很好,很强大。
很好,很强大。
之前設計電路時只知道要加但是不是很清楚原理,看完文章後對此電路有更進一步了解
good!good!
good!
good!
good!
好贴,内容精辟。
学习
好帖子,拜读了!
学习了!谢谢分享!
受益匪浅,谢谢层主
写的不错
刚刚读完,获益匪浅啊~
学习啦!更多的发表在哪里呢?
谢谢,受教了
看到第一段就被吸引住了
谢谢 小编分享
哈哈哈哈哈哈哈哈哈
hao hao !
搜索一下啊
