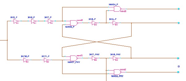
求两相不交叠时钟电路的经典电路
时间:10-02
整理:3721RD
点击:
谢谢各位老大哈
有的传下我好么
lyhshadow@163.com
有的传下我好么
lyhshadow@163.com
经典:
思路:
用一个沿触发一个关闭, 然后将关闭的信号与这个时钟“与”后作为另外一个的导通信号
如下图,靠中间的两路输出即为两相非交叠时钟,可以自己仿仿看

万分感谢~
多谢小编
请教
电路中为什么要加两个非门啊
看看,先谢了!
两相不交叠时钟要看是高电平不交叠还是低电平不交叠,上面给的电路图应该是低电平不交叠的。把NAND换成NOR就成了了高电平不交叠了
请问右上和右下角的与非门是干嘛用的?
不明白啊
三楼的图是错的,两个与非门出来的信号再分别经过一个反相器就能得到两相非交叠的时钟了~而不是经过两个反相器
关注,最近也在做这个
请问需要在个别节点和电源之间加mos电容吗?
你好,图中有很多的反相器,它们的宽长比是一样的吗?还是有所区别,又是为什么呢?期待回答,谢谢哦
增强驱动
参考一下 验证一下
很多书上都有讲
多谢 帮了我大忙
那你倒是说啊,这种话不如别说
小编会QUartus吗?
小编会QUartus吗?设计一个彩灯循环,可稿费。100不等
不错不错
谢谢分享
学习了
看不太懂,有高手可以解釋一下嗎
