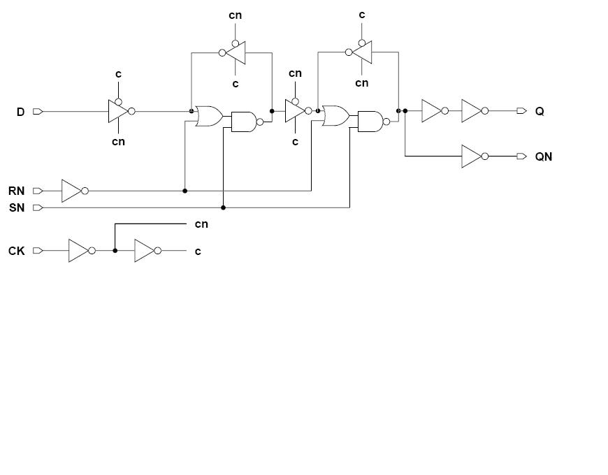
复位置位的D触发器
时间:10-02
整理:3721RD
点击:
帮我看看这个电路图
谢谢大家帮忙
那个传输门为什么后面还加了一个小圈?是反相的意思还是三态门呢?
it is 反相三态门
反向器。
三态门,其实就是一个反相器。C和CN控制,如果C=0,CN=1,输出相反信号,否则为高阻态
CMOS电路的分析,和TTL电路分析还是不同的。有很多有趣的
了解下,谢谢
如果D触发器,没有复位短,应用起来会有什么问题?
从D到Q的数据传输会发生错误吗?
请问这个触发器的保持时间是不是为零呢,在c为低的时候,D输入被立刻终止了
明显是反相
This is a DFF, it samples D at rising edge of clock.
DFF works well without reset or set pins.
But when power up, the state is unknown, either logic 1 or logic 0.
it's related to race condition
学习中....
学习一下
