关于无刷直流电机的两种控制方案的比较问题
时间:10-02
整理:3721RD
点击:
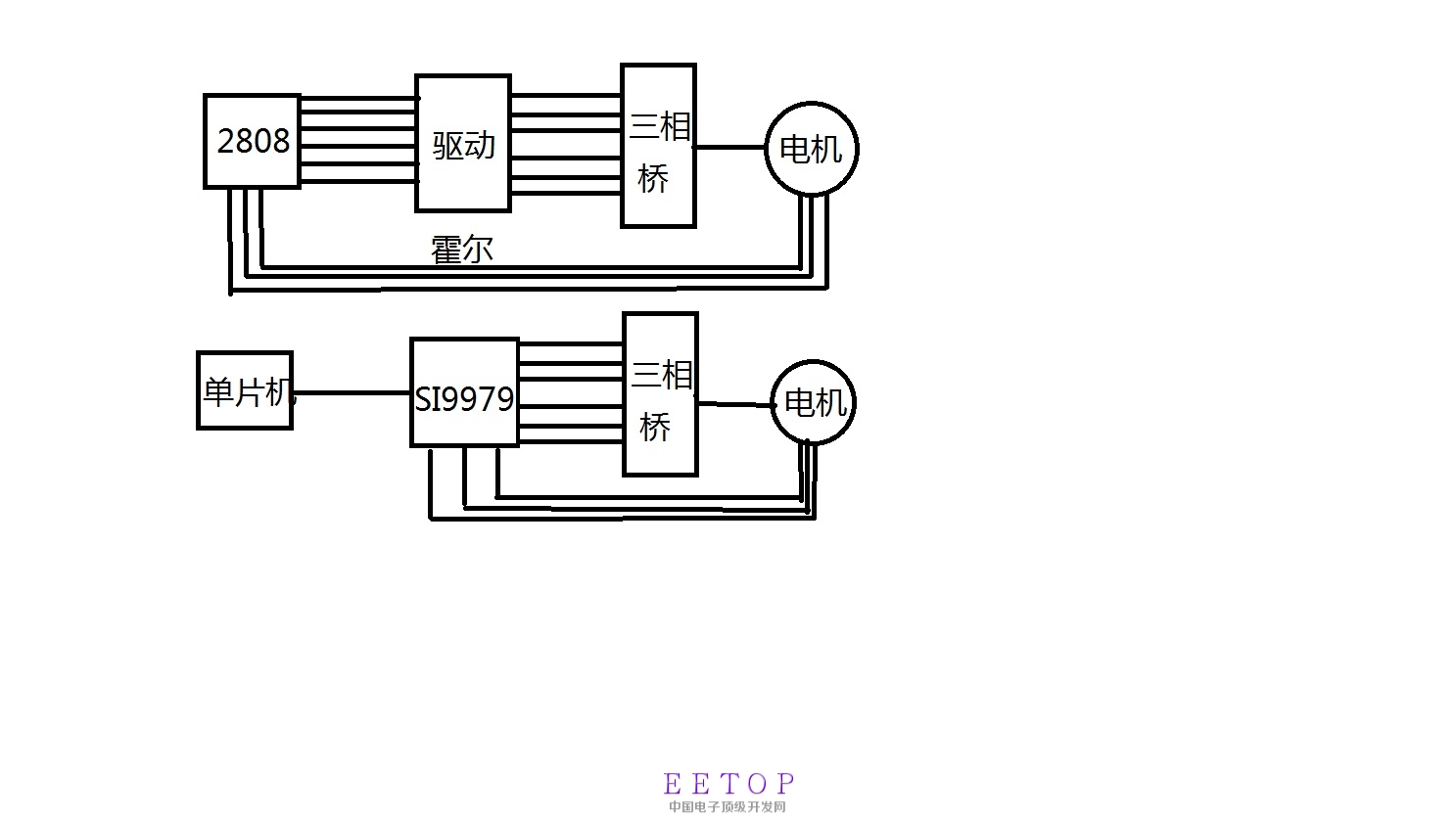
现在想做一个无刷直流电机的控制器,采用电流转速双闭环控制。之前在实验室都是用TI2000系列dsp控制。不过现在看到很多直接用集成驱动芯片(如SI9979)的,就是霍尔信号直接接到芯片上产生换相信号。这样的话就不需要pwm外设了,直接用单片机就可以控制了。两种方案如图所示。所以想问一下这两种方案分别有什么优势?
