控制无刷电机的IPM模块问题
时间:10-02
整理:3721RD
点击:
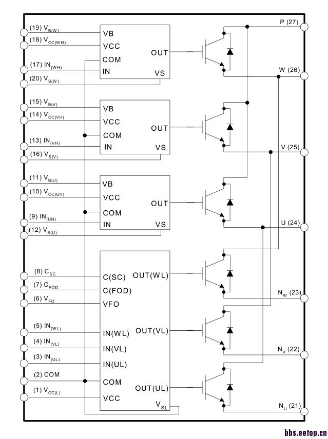
问下有没有人用过IPM模块,我用的是FSBB30CH60,用来驱动带霍尔的无刷电机,图片中一个是它的内部结构图,还有一个是IPM模块电路图,电机没有转,软件配置检查过没有问题,用于换相的中断也能进去,测量了6路PWM,一路电压3.1V,一路2.3V,测了下U,V,W电压都是为0,求高手指点


kankan
你用示波器看看你的芯片输出pwm波形是否正确。看你检测U,V,W电压都是0,你用示波器重新测量一下,看波形变化。关注下自居电容的电压。U,V,W电压都是0。说明上桥没有打开。
