请问这个是什么器件
时间:10-02
整理:3721RD
点击:
同上,这些接口都是什么意思
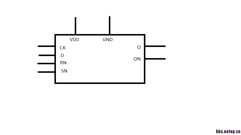
D_FF
ck= clock
RN 反相 reset
SN 反相 set
D = data in
Q = out put
QN 反相輸出
非常感谢,我明白了
赞同!
感谢小编。小编辛苦。
小编好人
对的。
RS锁存器
