关于<晶体管电路设计上>一书中的疑问
时间:10-02
整理:3721RD
点击:
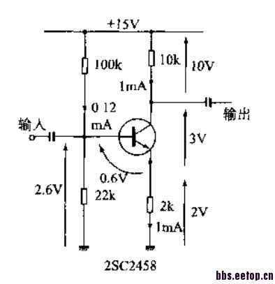
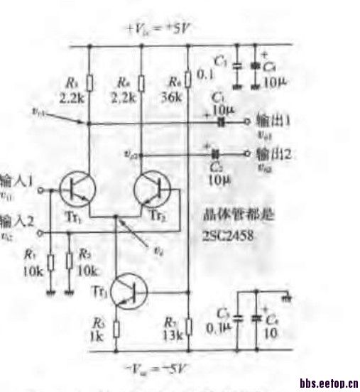
看<晶体管电路设计上>一书碰到一个疑问,想向各位请教一下。该书第231页对基本的差分放大器的高频特性进行测试,得出截止频率为7MHZ左右。其选用的晶体管型号为2SC2458,书中第2章的射级负反馈的共射放大电路采用的也是2SC2458,29页指出其截止频率为3.98MHZ。我的疑问是,书中的差分放大器采用的共射接法,从差模半电路可以看出是存在米勒效应的,截止频率不应该比采用射级负反馈的放大电路截止频率还高吧?同一中型号的器件参数不至于差这么多吧。不知道是书中错误还是我的理解出现了错误。请各位指点!这个是第2章的截图:


这个是差动放大电路的截图:

differential pair, it has no doubt about it I think
agree the idea with differencial pairs
