请教高手:关于自偏置电流源的电路结构
时间:10-02
整理:3721RD
点击:
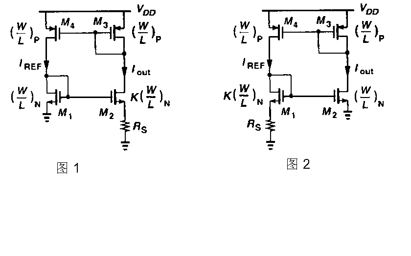
与电源电压无关的自偏置电流源的经典结构如下图1(Razavi. pic 11.3)所示。请教高手:如果把下面的NMOS对管与电阻左右互换(图2)可以吗?会有什么问题呢?电路稳定性会受影响吗?

不可以
两个电路都是正反馈,环路增益必须<1才稳定。
图1:Av=gm*(1/gm)*{1/[1/sqrt(K)*gm+Rs]}*(1/gm)<1
图2:Av=gm*[1/sqrt(k)*gm+Rs]*gm*(1/gm)>1
所以图2不正确
了解了。谢谢各位
不错,这个问题有点意思,以前还没想过,3楼正解
初学者,看不懂呀!能不能讲详细点,这个增益是怎么求出来的?谢谢啦!
换了以后还能准确的确定电压吗?
DC值是确定的。
这个增益是怎么求出来的
一楼的公式是用MATLAB弄的吗
真是想好好学习一下模拟电路啊
第二个电路,加一个负反馈就行了
学习了[quote][/quote]
可以把电阻移上去,就避免了mos管的村片效应
亚阈值电压,电流源就是这样做的
也可以通过0电流状态下是否有增益判断
如何加负反馈实现,有图没?谢谢。
