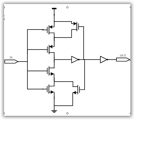
请大家帮忙分析一下一个施密特触发buffer的原理
时间:10-02
整理:3721RD
点击:
我找了一天的资料都没找到相关的资料,请大家帮忙分析一下这个电路的施密特触发工作原理

输入为低电平时上端两个PMOS管导通,输入信号上拉到高电平,后经反向器输出仍为低电平,输入为高电平时,下端NMOS管导通信号被钳制在低电平经反向器输出高电平.
xue xi le
收下了,谢谢
