请教个模电问题
时间:10-02
整理:3721RD
点击:

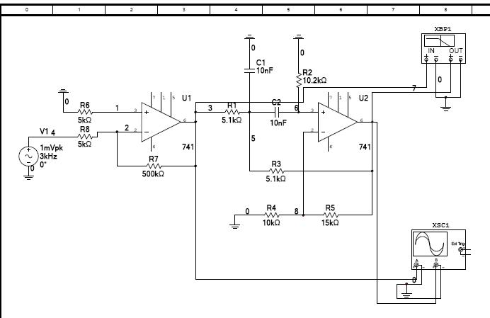
想第2级做成带通放大,中心频率约为3K,带宽1.5K,搭实物电路时第二级总是被衰减,为什么?另外请教下R3的作用
R3可以调节第二级运放的放大倍数。
是输出的一种反馈,可调整放大倍数
来了就顶一下。
ddddddddddddddddd
首先R3在這兒構成一個正反饋電路,看第二級衰減與否,要看+、-的比較!其他的也不知道了
调整放大倍数,多看看模电书
