右腿驱动电路,关于共模信号来源的问题..
时间:10-02
整理:3721RD
点击:

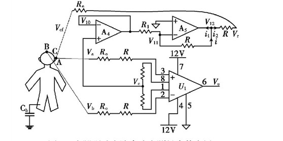
在测试心电,脑电等信号的时候,通常会在差分电路中加入一个右腿驱动电路,具体的电路可以有不同的实现方式,然而在看不同的论文设计的电路的时候,个人就范迷糊了;右腿驱动电路的输出总是会反馈到放大电路的输入端,这是什么原因呢?共模信号的来源是什么,它有什么物理意义没有,希望有经验的达人能够解答小弟的疑惑。谢谢。
