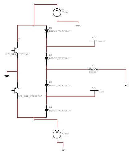
有谁能解释一下这个电路?其中那两个正电压和负电压什么作用?四个二极管呢?
时间:10-02
整理:3721RD
点击:
有谁能解释一下这个电路?其中那两个正电压和负电压什么作用?四个二极管呢?

恒流源分成两个支路,三极管支路电流变化的话引起二极管支路变化,这就是工作原理,电源的作用是为二极管支路提供出电流驱动能力
学习了,这个电路用在哪里吗?
高手可以讲的详细点吗?我还是不太明白。
I/F转换电路中,这是一个极性开关~
高手可以讲的详细点吗?我还是不太明白
I/F转换电路中,这是一个极性开关
