请高手指教!该电路性能!
时间:10-02
整理:3721RD
点击:
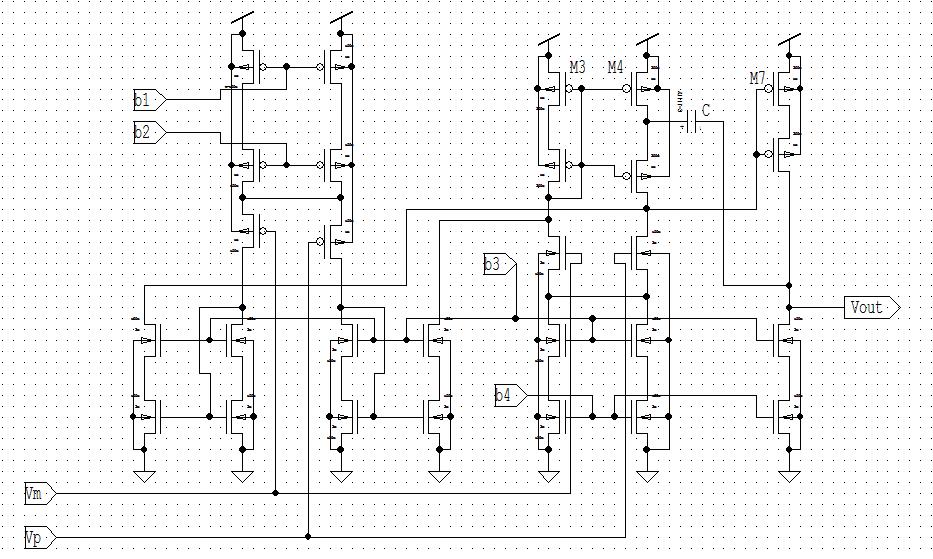
附件中为该电路。该电路是CMOS轨到轨两级运算放大器,小弟不才,看不懂它的结构,仿真也不清楚它的功能!请高手支招,感激!由于上传限制,只能传截图了~

N-input and P-input folded cascode in parallel for RR input
and 2nd gain stage for RR output
