大家帮忙分析个电路
时间:10-02
整理:3721RD
点击:
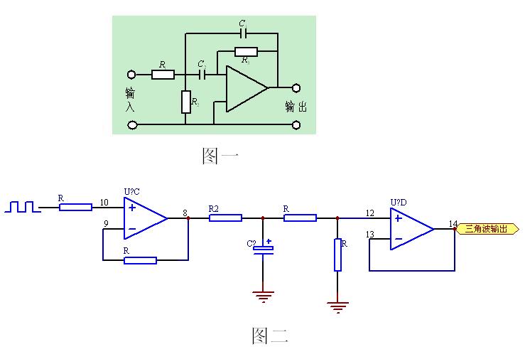
我的问题是:1、第一个电路是不是带通滤波电路,如果是的话它是怎么分析的?
2、第二个电路输入方波怎么能出来三角波?原理是什么?我们平时看到的都是用的积分电路,这个好像不是。
请大家踊跃发言
2、第二个电路输入方波怎么能出来三角波?原理是什么?我们平时看到的都是用的积分电路,这个好像不是。
请大家踊跃发言

第一个电路求它的传输函数就可以知道它的用途了。
第二个电路是把方波积分,转换为三角波,三角波振幅可以通过电阻电容调整。
本人的愚见,第一个图我觉得是带通滤波器,当频率趋于零时,两个电容相当于开路,电路是一个跟随器,输出为0V,当频率趋于无穷大时,两个电容相当于短路,电路输出为0V,中间频率有一个传输函数,应该是带通滤波器。
