各位大虾 求等精度频率计pcb图!
时间:10-02
整理:3721RD
点击:
设计要求
(1)频率测量
a.测量范围 信号:方波、正弦波;幅度:0.5V~5V;频率:1Hz~1MHz
b.测量误差≤0.1%
(2)周期测量
a.测量范围 信号:方波、正弦波;幅度:0.5V~5V;频率:1Hz~1MHz
b.测量误差≤0.1%
(3)脉冲宽度测量
a.测量范围 信号:脉冲波;幅度:0.5V~5V;脉冲宽度≥100μs
b.测量误差≤1%
(4)显示
十进制数字显示,显示刷新时间1~10秒连续可调,对上述三种测量功能分别用不同颜色的发光二极管指示。
(1)频率测量
a.测量范围 信号:方波、正弦波;幅度:0.5V~5V;频率:1Hz~1MHz
b.测量误差≤0.1%
(2)周期测量
a.测量范围 信号:方波、正弦波;幅度:0.5V~5V;频率:1Hz~1MHz
b.测量误差≤0.1%
(3)脉冲宽度测量
a.测量范围 信号:脉冲波;幅度:0.5V~5V;脉冲宽度≥100μs
b.测量误差≤1%
(4)显示
十进制数字显示,显示刷新时间1~10秒连续可调,对上述三种测量功能分别用不同颜色的发光二极管指示。
各位大虾 求等精度频率计pcb图!
我是用8051的啊
各位大虾 求等精度频率计pcb图!
小编救命啊~小弟 做硬件的 后天就要交了,还有个同学说一定要我先做好硬件她才可以做软件 。但我只懂原理 具体怎么画也不是很明白。各位大虾能不能帮把啊
各位大虾 求等精度频率计pcb图!
请提供原理图,我帮你..
各位大虾 求等精度频率计pcb图!
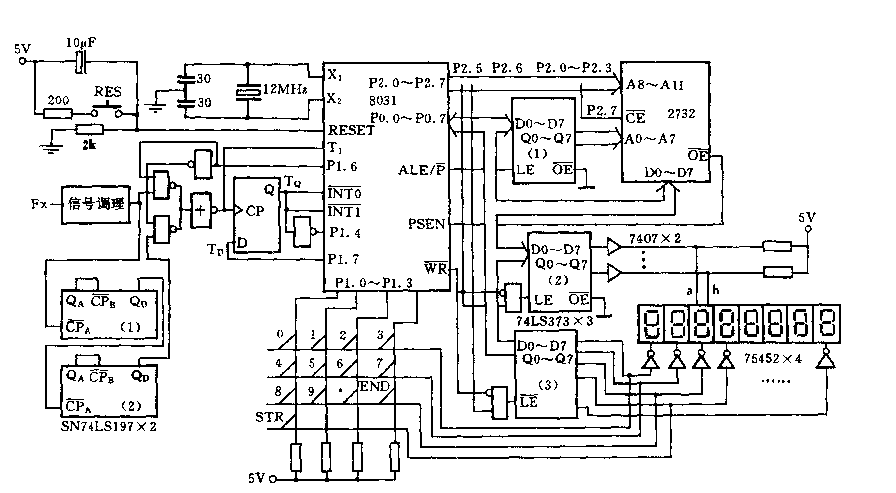
能看懂它吗?这个图只有测频功能 我们还要测脉冲宽度的啊

DING
DING,好!
