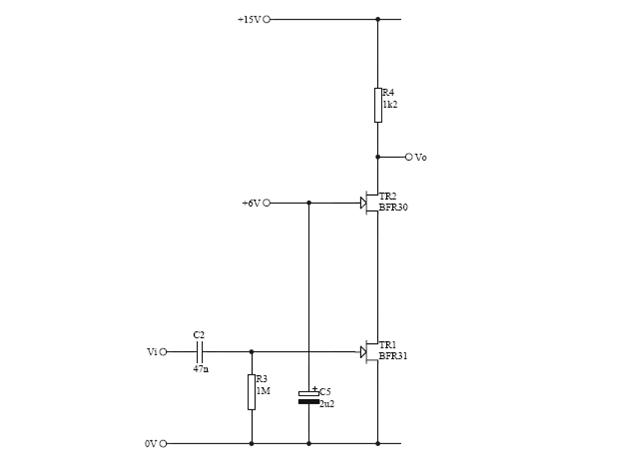
菜鸟问下这个放大电路怎么分析
时间:10-02
整理:3721RD
点击:

两个JFET的作用分别是什么?
怎么计算增益?
请指教,谢谢
这个电路是太简单了,大家都不屑分析
还是太难了?
前面两位回复的很好
这是cascode 级 ,allen 或martin 都有介绍阿
common source - common gate cascode amplifier
在哪里介绍的?
我刚来,不知道啊,麻烦告诉一下,谢谢
学习学习中学习中
