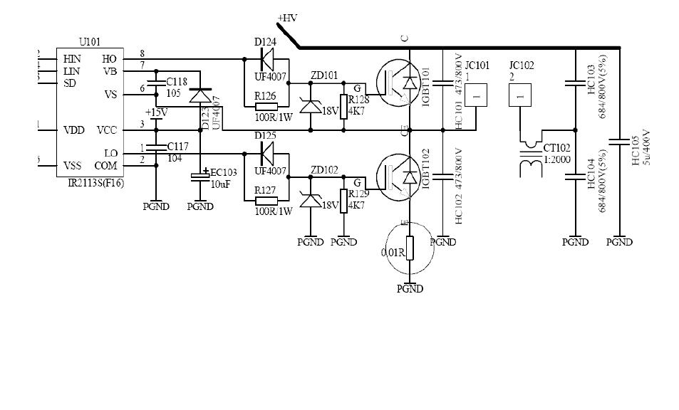
哪位大侠帮看一下二极管D124 D125是什么作用(上个帖的电路图发错了)
时间:10-02
整理:3721RD
点击:

在设计IGBT或者MOSFET高速驱动电路时一定要同时设计好IGBT或者MOSFET的输入电容的充放电路径。
你所提到的D124/D125在上述驱动电路里起到加速输入电容Cge的放电时间来提高电路的开关特性。
这个方面你可以具体找些资料来看
不懂,同问

在设计IGBT或者MOSFET高速驱动电路时一定要同时设计好IGBT或者MOSFET的输入电容的充放电路径。
你所提到的D124/D125在上述驱动电路里起到加速输入电容Cge的放电时间来提高电路的开关特性。
这个方面你可以具体找些资料来看
不懂,同问