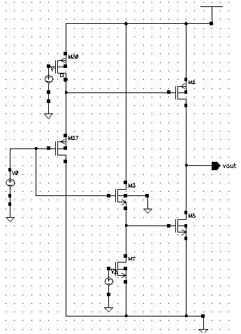
请问一下这个电路怎么实现电压放大〉?
时间:10-02
整理:3721RD
点击:
左端输入交流电压,右端输出,但是什么原理阿?

还有就是互阻放大器和跨阻放大器由什么区别阿?
貌似是推挽放大,图好难看
