DB9 公头母头引脚定义及连接
时间:10-02
整理:3721RD
点击:
1.实物及引脚简介
在做开发的时候经常会用到串行接口,一般9针的串行接口居多。如下图所示:

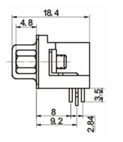
公头母头用于连接线的采用上图封装。但用于开发板的时候采用90度弯角插针的封装。如下图:


各引脚的定义为:

2.公头母头与MAX232的连接当公头母头与max232进行连接的时候,我们会发现按照上图所说的9个引脚的定义,好像除了外观,公头和母头并没有什么区别,因为每个管脚的定义都是一样的。这样想是不对的!仔细看第一张图会发现,在公头和母头进行连接时,公头的2脚接了母头的2脚,公头的3脚接了母头的3脚。如果按引脚定义就会变成接收端连接接收端,发送端连接发送端了。所以,对于公头可以采用引脚定义,对于母头可以理解为是她要接收的引脚定义。例如母头2脚理解为她要连接公头的接收数据端。下面是MAX232的内部结构图:

如果采用公头,连接方法是:MAX232(14,7)连接公头(3),MAX232(13,8)连接公头(2)。如果采用母头,连接方法是:MAX232(14,7)连接母头(2),MAX232(13,,8)连接公头(3)。
我们用的连接线一般是两端都是母头的连接线,两端都是公头的连接线,一端是公头一端是母头的线。用万用表测试会发现,两端都是公头或母头的线,在线的内部把2,3引脚的连线颠倒了,即一端的2脚连接了另一端的3脚,3脚连接了另一端的2脚。而一端是公头一端是母头的线,一端的2脚连接另一端的2脚,3脚连接另一端的3脚。3.串口的封装尺寸





正好用得上 谢谢分享
“用万用表测试会发现,两端都是公头或母头的线,在线的内部把2,3引脚的连线颠倒了,即一端的2脚连接了另一端的3脚,3脚连接了另一端的2脚。”
你说的这是交叉串口线吧,直连串口线仍然是2连2,3连3.,我有根两端都是母头的串口线就是直连串口线
还没注意过公母头序号不一样
感觉max232(14,7)接公头的发送端口和接收端口都不会有什么影响啊
