external serial flash怎么连 接?
时间:10-02
整理:3721RD
点击:
[DESCRIPTION]
2523 external serial flash怎么连接?
[SOLUTION]
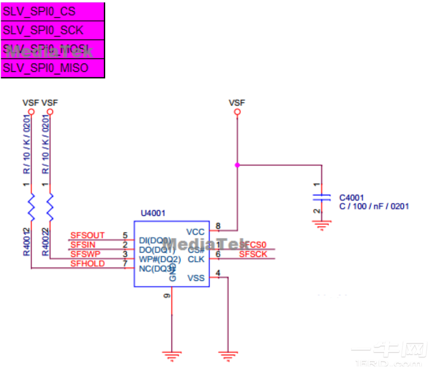
external serial flash只支持CS/SCK/MOSI/MISO4根线,WP/HOLD两根线请10K上拉,pin table和原理图参考如下:

2523 external serial flash怎么连接?
[SOLUTION]
external serial flash只支持CS/SCK/MOSI/MISO4根线,WP/HOLD两根线请10K上拉,pin table和原理图参考如下:

自问自答,不错!
